卡盘商城欢迎您!
微信公众号
扫一扫关注
收藏本站
帮助中心
网站首页
台湾卡盘
韩国卡盘
日本卡盘
德国卡盘
国产卡盘
卡盘资讯
联系我们
卡盘油缸一站式供应
℃
收藏
分享
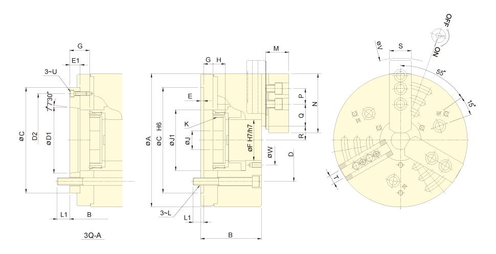
台湾佳贺autogrip三爪快拆式卡盘3Q
品牌:
台湾佳贺
动力:
液压卡盘
爪数:
三爪卡盘
型号:
3Q-08/3Q-10/3Q-12
产品介绍
图纸下载
台湾佳贺三爪卡盘型号:3Q-08/3Q-10/3Q-12