卡盘商城欢迎您!
微信公众号
扫一扫关注
收藏本站
帮助中心
网站首页
台湾卡盘
韩国卡盘
日本卡盘
德国卡盘
国产卡盘
卡盘资讯
联系我们
卡盘油缸一站式供应
℃
收藏
分享
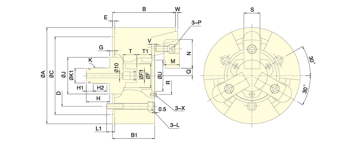
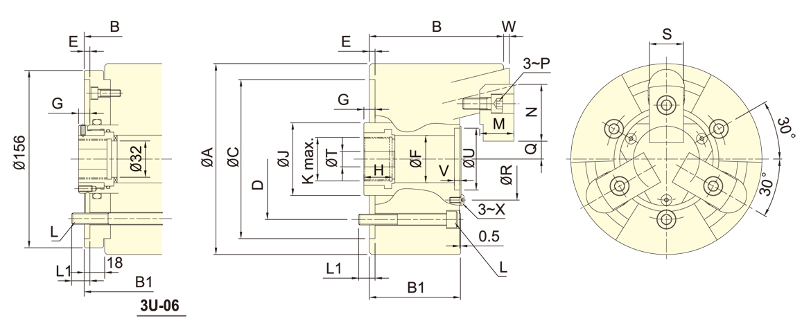
台湾佳贺autogrip三爪后拉卡盘3U/3U-K
品牌:
台湾佳贺
动力:
液压卡盘
爪数:
三爪卡盘
型号:
3U-203/3U-204/3U-205/3U-206/3U-208/3U-210/3U-212/3U-205k/3U-206k/3U-208k/3U-210k/3U-212k
产品介绍
图纸下载
台湾佳贺三爪卡盘型号:3U-203/3U-204/3U-205/3U-206/3U-208/3U-210/3U-212/3U-205k/3U-206k/3U-208k/3U-210k/3U-212k