卡盘商城欢迎您!
微信公众号
扫一扫关注
收藏本站
帮助中心
网站首页
台湾卡盘
韩国卡盘
日本卡盘
德国卡盘
国产卡盘
卡盘资讯
联系我们
卡盘油缸一站式供应
℃
收藏
分享
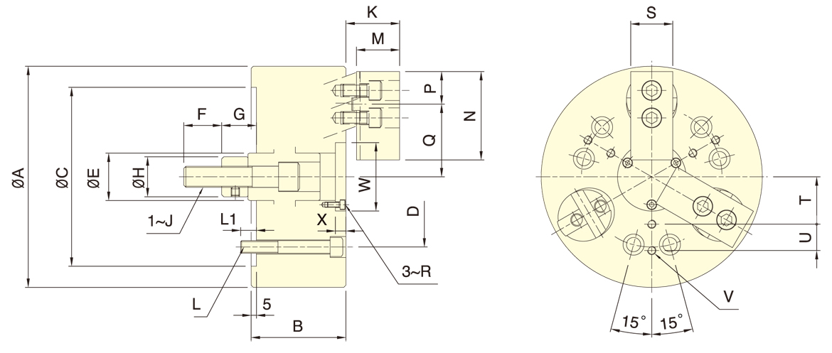
台湾佳贺autogrip三爪后拉卡盘3D
品牌:
台湾佳贺
动力:
液压卡盘
爪数:
三爪卡盘
型号:
3D-04/3D-05/3D-06/3D-08/3D-10/3D-12/3D-15
产品介绍
图纸下载
台湾佳贺三爪卡盘型号:3D-04/3D-05/3D-06/3D-08/3D-10/3D-12/3D-15