卡盘商城欢迎您!
微信公众号
扫一扫关注
收藏本站
帮助中心
网站首页
台湾卡盘
韩国卡盘
日本卡盘
德国卡盘
国产卡盘
卡盘资讯
联系我们
卡盘油缸一站式供应
℃
收藏
分享
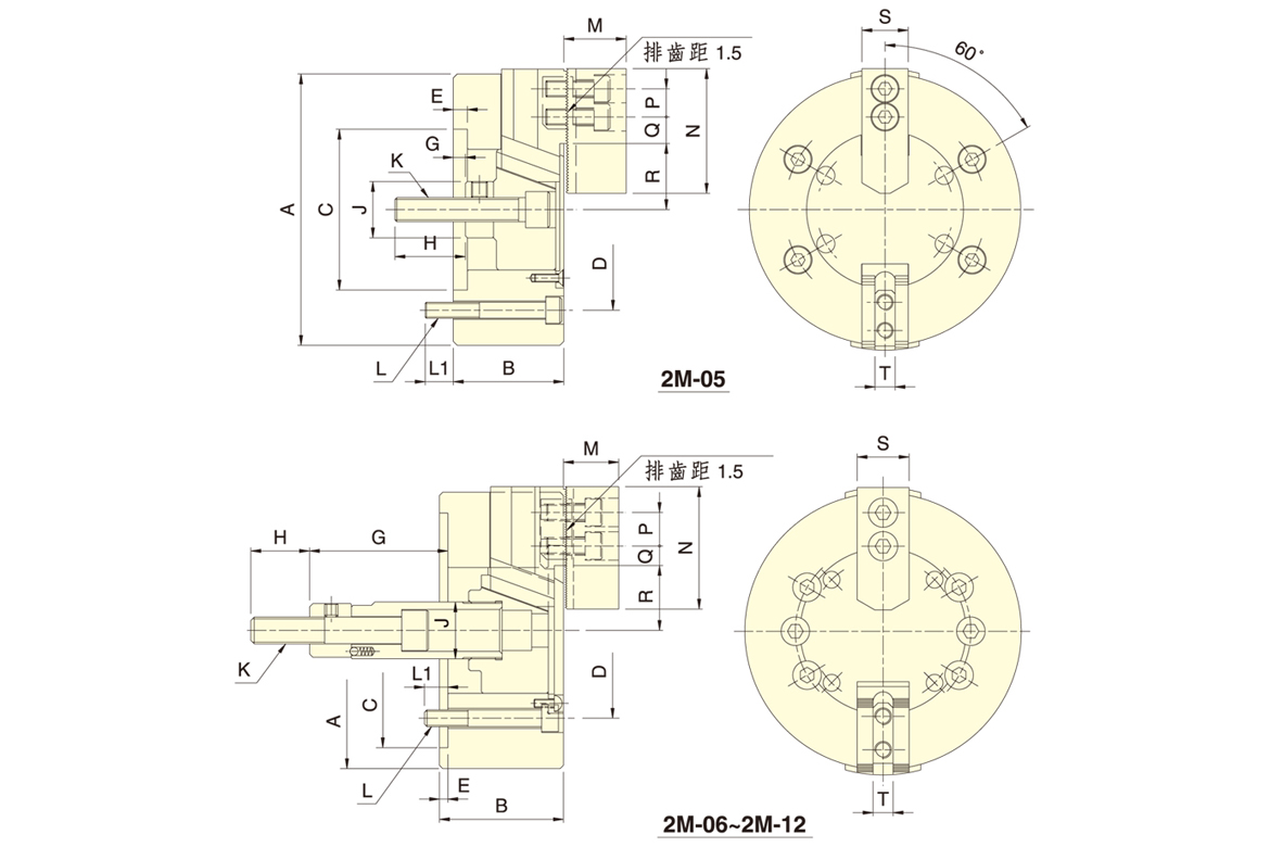
台湾佳贺autogrip两爪中实长行程卡盘2M
品牌:
台湾佳贺
动力:
液压卡盘
爪数:
两爪卡盘
型号:
2M-05/2M-06/2M-08/2M-10/2M-12
产品介绍
图纸下载
台湾佳贺两爪卡盘型号:2M-05/2M-06/2M-08/2M-10/2M-12