卡盘商城欢迎您!
微信公众号
扫一扫关注
收藏本站
帮助中心
网站首页
台湾卡盘
韩国卡盘
日本卡盘
德国卡盘
国产卡盘
卡盘资讯
联系我们
卡盘油缸一站式供应
℃
收藏
分享
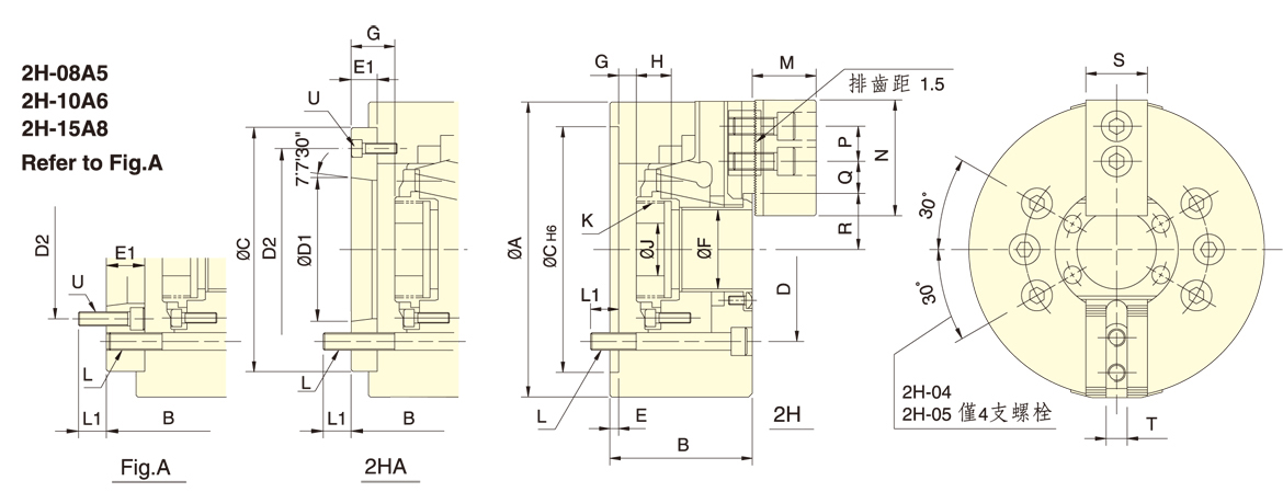
台湾佳贺autogrip两爪中空卡盘2H-2H-A
品牌:
台湾佳贺
动力:
液压卡盘
爪数:
两爪
型号:
2H-204/2H-205/2H-208/2H-10/2H-12/2H-15
产品介绍
图纸下载
台湾佳贺两爪型号:2H-204/2H-205/2H-208/2H-10/2H-12/2H-15