
|
型式 規格 |
活塞直徑 (mm) |
活塞面積 (cm2) 推側 / 拉側 |
最大拉桿出力 KN(kgf) 推側 / 拉側 |
活塞行程 (mm) |
最大使用油壓力 (kgf / cm2) |
最高轉速 (r.p.m.) |
慣性矩 I (kg‧m2 ) |
重量 (kg) |
總流量 L/min |
| M0928 | 90 | 53.2 / 48.3 | 19.9(2029) / 18(1835) | 10 | 40.8 | 8000 | 0.006 | 5.5 | 3.0 |
| M1036 | 105 | 71 / 68.5 | 26(2651) / 25(2549) | 15 | 40.8 | 8000 | 0.011 | 8.6 | 3.0 |
| M1038 | 105 | 71 / 66 | 26(2651) / 24.5(2498) | 15 | 40.8 | 8000 | 0.011 | 8.5 | 3.0 |
| M1236 | 125 | 100 / 89 | 38(3875) / 33(3365) | 15 | 40.8 | 7000 | 0.019 | 13 | 3.0 |
| M1246 | 125 | 100 / 89 | 38(3875) / 33(3365) | 15 | 40.8 | 7000 | 0.019 | 12 | 3.0 |
| M1546 | 155 | 161 / 154 | 60(6118) / 57.8(5894) | 22 | 40.8 | 6200 | 0.056 | 18 | 3.9 |
| M1552 | 155 | 161 / 150 | 60(6118) / 56(5710) | 22 | 40.8 | 6200 | 0.052 | 16.8 | 3.9 |
| M1868 | 180 | 198 / 197 | 74(7546) / 73.5(7495) | 25 | 40.8 | 4700 | 0.098 | 28 | 4.2 |
| M1870 | 180 | 198 / 183 | 74(7546) / 69(7036) | 25 | 40.8 | 4700 | 0.095 | 26.5 | 4.2 |
| M1875 | 180 | 198 / 183 | 74(7546) / 69(7036) | 25 | 40.8 | 4700 | 0.095 | 26 | 4.2 |
| M1878 | 180 | 198 / 183 | 74(7546) / 69(7036) | 25 | 40.8 | 4700 | 0.095 | 25.5 | 4.2 |
| M2085 | 205 | 252 / 234 | 94(9585) / 88(8973) | 30 | 40.8 | 3800 | 0.15 | 37.5 | 4.5 |
| M2091 | 205 | 252 / 234 | 94(9585) / 88(8973) | 30 | 40.8 | 3800 | 0.15 | 37 | 4.5 |
| M2511 | 250 | 348 / 336 | 124(12644) / 120(12236) | 23 | 40.8 | 2800 | 0.45 | 57 | 7.0 |
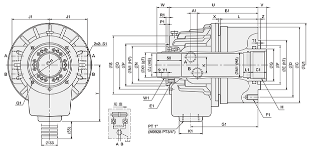
|
型式 尺寸 |
C1 | E1 | F1 | G1 | H1 | J1 | K1 | L1 | M1 | N1 | O1 | P1 | Q1 | R1 | S1 | T1 | U1 | W1 | X1 | B | C |
| M0928 | 25 | 8-M6x10 | 6-M8x15 | 110 | 76 | 58 | 44 | 15 | 34 | 53 | 14 | 4 | 4-M4x7 | 5 | PT 1/4" | 5 | 116 | M34x1.5 | 32 | 85 | 120 |
| M1036 | 25 | 6-M5x10 | 6-M10x17 | 126 | 88 | 68 | 53 | 15 | 38 | 64 | 14 | 4 | 6-M5x12 | 4 | PT 3/8" | 6 | 136 | M44x1.5 | 42 | 101 | 136 |
| M1038 | 25 | 6-M5x10 | 6-M10x17 | 126 | 88 | 68 | 53 | 15 | 40 | 64 | 14 | 4 | 6-M5x12 | 4 | PT 3/8" | 6 | 136 | M44x1.5 | 42 | 101 | 136 |
| M1236 | 25 | 4-M6x12 | 12-M10x20 | 135 | 98 | 76 | 47 | 15 | 38 | 76 | 14 | 4 | 4-M5x12 | 6 | PT 1/2" | 6 | 169 | M52x1.5 | 50 | 99 | 154.5 |
| M1246 | 30 | 4-M6x12 | 12-M10x20 | 135 | 98 | 76 | 47 | 15 | 50 | 76 | 14 | 4 | 4-M5x12 | 6 | PT 1/2" | 6 | 169 | M52x1.5 | 50 | 99 | 154.5 |
| M1546 | 30 | 4-M6x12 | 12-M10x20 | 145 | 110 | 86 | 47 | 15 | 50 | 85 | 14 | 4 | 4-M6x12 | 7 | PT 1/2" | 6 | 187.5 | M58x1.5 | 56 | 103 | 190 |
| M1552 | 30 | 4-M6x12 | 12-M10x20 | 145 | 110 | 86 | 47 | 15 | 55 | 85 | 16 | 4 | 4-M6x12 | 7 | PT 1/2" | 6 | 187.5 | M58x1.5 | 56 | 103 | 190 |
| M1868 | 35 | 4-M6x12 | 12-M10x20 | 166 | 155 | 101 | 47 | 15 | 70 | 108 | 16 | 4 | 4-M6x12 | 7.5 | PT 1/2" | 6 | 220 | M84x2 | 81 | 126 | 215 |
| M1870 | 35 | 4-M6x12 | 12-M10x20 | 166 | 155 | 101 | 47 | 15 | 75 | 108 | 16 | 4 | 4-M6x12 | 7.5 | PT 1/2" | 6 | 220 | M84x2 | 81 | 126 | 215 |
| M1875 | 35 | 4-M6x12 | 12-M10x20 | 166 | 155 | 101 | 47 | 15 | 80 | 108 | 16 | 4 | 4-M6x12 | 7.5 | PT 1/2" | 6 | 220 | M84x2 | 81 | 126 | 215 |
| M1878 | 35 | 4-M6x12 | 12-M10x20 | 166 | 155 | 101 | 47 | 20 | 82 | 108 | 16 | 4 | 4-M6x12 | 7.5 | PT 1/2" | 6 | 220 | M84x2 | 81 | 126 | 215 |
| M2085 | 35 | 4-M6x12 | 12-M12x24 | 182 | 165 | 110 | 47 | 20 | 89 | 120 | 16 | 4 | 4-M6x12 | 7 | PT 1/2" | 6 | 267 | M99x2 | 96 | 141 | 240 |
| M2091 | 35 | 4-M6x12 | 12-M12x24 | 182 | 165 | 110 | 47 | 15 | 95 | 120 | 16 | 4 | 4-M6x12 | 7 | PT 1/2" | 6 | 267 | M99x2 | 96 | 141 | 240 |
| M2511 | 45 | 4-M6x12 | 12-M16x32 | 197 | 206 | 129 | 55 | 20 | 123 | 160 | 18 | 5 | 4-M6x12 | 7 | PT 1/2" | 6 | 294 | – | 134.6 | 186 | 310 |
|
型式 尺寸 |
D | E | F | G | H | J | K | L | N | P | Q | S | T | U |
V max. |
V min. |
W max. |
W min. |
X | Z | A1 | B1 |
| M0928 | 100 | 80 | 65 | 44 | M38x1.5 | 28 | 25 | 54 | 44 | 59 | 65 | 90 | 105 | 156 | 14 | 4 | 35 | 25 | 3 | 5 | 9 | 108 |
| M1036 | 115 | 100 | 65 | 48 | M42x1.5 | 36 | 32 | 62 | 55 | 73 | 88 | 104 | 115 | 174.5 | 15 | 0 | 39 | 24 | 2.5 | 5 | 11 | 120.5 |
| M1038 | 115 | 100 | 65 | 50 | M44x1.5 | 38 | 32 | 71 | 55 | 73 | 88 | 104 | 115 | 174.5 | 15 | 0 | 39 | 24 | 2.5 | 5 | 11 | 120.5 |
| M1236 | 130 | 100 | 80 | 65 | M42x1.5 | 36 | 36 | 67 | 64 | 85 | 98 | 118 | 114 | 179 | 15 | 0 | 40 | 25 | 4 | 5 | 11 | 126.5 |
| M1246 | 130 | 100 | 80 | 65 | M55x2 | 46 | 36 | 67 | 64 | 85 | 98 | 118 | 114 | 179 | 15 | 0 | 40 | 25 | 4 | 5 | 11 | 126.5 |
| M1546 | 170 | 130 | 85 | 65 | M55x2 | 46 | 36 | 75 | 73 | 96 | 114 | 137 | 130 | 191 | 22 | 0 | 47 | 25 | 4 | 5 | 11 | 136 |
| M1552 | 170 | 130 | 85 | 70 | M60x2 | 52 | 36 | 75 | 73 | 96 | 114 | 137 | 130 | 191 | 22 | 0 | 47 | 25 | 4 | 5 | 11 | 136 |
| M1868 | 190 | 160 | 120 | 85 | M75x2 | 68 | 36 | 84 | 98 | 121 | 140 | 166 | 160 | 225 | 25 | 0 | 50 | 25 | 4 | 5 | 17.5 | 152.5 |
| M1870 | 190 | 160 | 120 | 95 | M78x2 | 70 | 36 | 84 | 98 | 121 | 140 | 166 | 160 | 225 | 25 | 0 | 50 | 25 | 4 | 5 | 17.5 | 152.5 |
| M1875 | 190 | 160 | 120 | 95 | M85x2 | 75 | 36 | 84 | 98 | 121 | 140 | 166 | 160 | 225 | 25 | 0 | 50 | 25 | 4 | 5 | 17.5 | 152.5 |
| M1878 | 190 | 160 | 120 | 95 | M87x2 | 78 | 36 | 84 | 98 | 121 | 140 | 166 | 160 | 225 | 25 | 0 | 50 | 25 | 4 | 5 | 17.5 | 152.5 |
| M2085 | 215 | 180 | 140 | 110 | M93x2 | 85 | 36 | 93 | 108 | 138 | 158 | 182 | 185 | 248 | 30 | 0 | 55 | 25 | 3 | 5 | 21 | 166.5 |
| M2091 | 215 | 180 | 140 | 110 | M100x2 | 91 | 36 | 93 | 108 | 138 | 158 | 182 | 185 | 248 | 30 | 0 | 55 | 25 | 3 | 5 | 21 | 166.5 |
| M2511 | 215 | 230 | 166 | 140 | M130x2 | 117.5 | 36 | 89 | 148 | 178 | 190 | 232 | 215 | 290 | 24 | 1 | 38 | 15 | 3 | 6 | 27 |
184.5 |