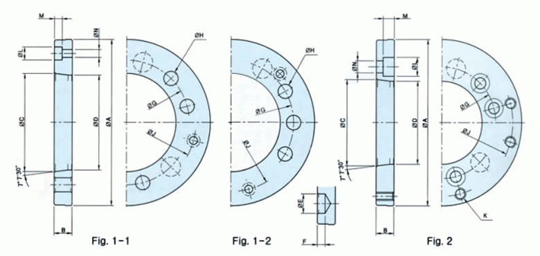
韩国瑞岩型号:AD-06A05/AD-08A05/AD-08A06/AD-10A06/AD-12A06/AD-10A08/AD-12A08/AD-15A11/ADT-06A05/ADT-08A06/ADT-10A08/ADT-15A11
 |
|
|
 |
 |
|
|
|
|
 |
|
Item
Model
|
|
Matching chuck |
A |
B |
C |
D |
E |
F |
|
AD-06A05 |
1-1 |
CAH,CAS |
140 |
15 |
82.563 |
79.7 |
16.3 |
6.5 |
|
AD-08A05 |
2 |
CAH,CAS |
170 |
25 |
82.563 |
79.7 |
16.3 |
6.5 |
|
AD-08A06 |
1-1 |
CAH,CAS |
170 |
17 |
106.375 |
103 |
19.45 |
6.5 |
|
AD-10A06 AD-12A06 |
2 |
CAH,CAS |
220 |
25 |
106.375 |
103 |
19.45 |
6.5 |
|
AD-10A08 AD-12A08 |
1-1 |
CAH,CAS |
220 |
18 |
139.719 |
136 |
24.2 |
8 |
|
AD-15A11 |
1-1 |
CAH |
300 |
22 |
196.87 |
192.1 |
29.36 |
10 |
|
ADT-06A05 |
1-2 |
CAHT,CAST |
140 |
15 |
82.563 |
79.7 |
16.3 |
6.5 |
|
ADT-08A06 |
1-2 |
CAHT,CAST |
170 |
17 |
106.375 |
103 |
19.45 |
6.5 |
|
ADT-10A08 |
1-2 |
CAHT,CAST |
220 |
18 |
139.719 |
136 |
24.2 |
8 |
|
ADT-15A11 |
1-2 |
CAHT |
300 |
22 |
196.87 |
192.1 |
29.36 |
10 |
|
|
Item
Model
|
G |
H |
J |
K |
L |
M |
N |
Spindle nose |
|
|
AD-06A05 |
104.8 |
12 |
116 |
|
11 |
6.5 |
6.6 |
A2-5 |
|
AD-08A05 |
104.8 |
- |
133.35 |
M12 |
17.5 |
11.5 |
11 |
A2-5 |
|
AD-08A06 |
133.4 |
13.5 |
150 |
|
11 |
6.5 |
6.6 |
A2-6 |
|
AD-10A06 AD-12A06 |
133.4 |
- |
150 |
|
11 |
6.5 |
6.6 |
A2-6 |
|
AD-10A08 AD-12A08 |
171.5 |
18 |
190 |
|
14 |
10 |
9 |
A2-8 |
|
AD-15A11 |
235 |
21 |
260 |
|
17 |
11 |
11 |
A2-11 |
|
ADT-06A05 |
104.8 |
12 |
116 |
|
11 |
6.5 |
6.6 |
A2-5 |
|
ADT-08A06 |
133.4 |
13.5 |
150 |
|
11 |
6.5 |
6.6 |
A2-6 |
|
ADT-10A08 |
171.5 |
18 |
190 |
|
14 |
10 |
9 |
A2-8 |
|
ADT-15A11 |
235 |
21 |
260 |
- |
17 |
11 |
11 |
A2-11 |
|