韩国瑞岩型号:SM-YAR 100/SM-YAR 150/SM-YAR 175
 |
|
|
 |
|
|
 |
|
Spec
Model
|
Thru-hole(Diameter) mm |
Max. permissible input force KN(kgf) |
Max. Permissible speed r.p.m |
weight(With standard soft jaws) |
Piston stroke |
|
SM-YAR 100 |
100 |
8 |
3000 |
6 |
15 |
|
SM-YAR 150 |
150 |
8 |
2000 |
10 |
15 |
|
SM-YAR 175 |
175 |
8 |
2000 |
11.5 |
15 |
|
SM-YAR 200 |
200 |
8 |
2000 |
15.5 |
20 |
|
SM-YAR 250 |
250 |
8 |
2000 |
28 |
25 |
|
SM-YAR 300 |
300 |
8 |
1700 |
41.5 |
35 |
|
|
Spec
Model
|
Piston surface area extend |
Piston surface area retract |
GD2 |
Air Leakage |
|
|
SM-YAR 100 |
77 |
73 |
0.10(0.01 |
0.4 |
|
SM-YAR 150 |
175 |
170 |
0.39(0.04) |
0.4 |
|
SM-YAR 175 |
238.7 |
231.7 |
0.59(0.06) |
0.4 |
|
SM-YAR 200 |
311 |
301.7 |
0.88(0.09) |
0.4 |
|
SM-YAR 250 |
485.9 |
473.4 |
2.16(0.22) |
0.55 |
|
SM-YAR 300 |
701.9 |
689.3 |
5.19(0.53) |
0.55 |
|
|
|
 |
|
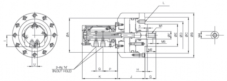
Item
Model
|
A |
B |
D |
E |
F |
H |
J |
K |
L |
|
SM-YAR 100 |
100 |
130 |
80 |
65 |
22.4 |
7 |
80 |
130 |
M10,DP17 |
|
SM-YAR 150 |
15 |
186 |
130 |
110 |
25 |
9 |
88 |
130 |
M10,DP17 |
|
SM-YAR 175 |
175
|
|
|