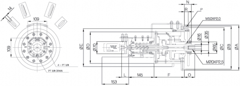
韩国瑞岩型号:SM-YDP 125/SM-YDP 140/SM-YDP 160
 |
|
|
 |
|
|
 |
|
Spec
Model
|
Max. Permissible speed r.p.m |
weight(With standard soft jaws) |
Piston surface area extend |
Piston surface area retract |
Max operation pressure |
|
SM-YDP 125 |
5000 |
43 |
113/89 |
47/40 |
35 |
|
SM-YDP 140 |
4500 |
46 |
144/120 |
47/40 |
35 |
|
SM-YDP 160 |
4000 |
52 |
191/167 |
47/40 |
35 |
|
|
Spec
Model
|
GD2 |
Cylinder Dia Piston 1 |
Cylinder Dia Piston 2 |
Piston Stroke Piston 1 |
Piston Stroke Piston 2 |
|
|
SM-YDP 125 |
1.27(0.13) |
125 |
80 |
35 |
20 |
|
SM-YDP 140 |
1.76(0.18) |
140 |
80 |
35 |
20 |
|
SM-YDP 160 |
2.45(0.25) |
160 |
80 |
50 |
20 |
|
|
|
 |
|
Item
Model
|
A |
C |
D |
E |
F |
N Max |
N Min |
|
SM-YDP 125 |
258 |
228 |
180 |
216 |
173 |
67 |
32 |
|
SM-YDP 140 |
273 |
243 |
195 |
231 |
173 |
67 |
32 |
|
SM-YDP 160 |
293 |
263 |
215 |
251 |
188 |
85 |
35 |
|
|
Item
Model
|
O Max |
O Min |
P |
Bro |
L MAX |
L MIN |
|
|
SM-YDP 125 |
62 |
42 |
6-M10 |
246 |
57 |
37 |
|
SM-YDP 140 |
62 |
42 |
6-M10 |
261 |
57 |
37 |
|
SM-YDP 160 |
65 |
45 |
6-M10 |
281 |
57 |
37 |
|