韩国瑞岩三爪卡盘型号:SM-FXB 04/SM-FXB 06/SM-FXB 08/SM-FXB 10
 |
|
|
 |
|
|
 |
|
Spec
Model
|
Jaw stroke(Diameter) mm |
Gripping Max |
Gripping Min |
Max. static gripping force KN(kgf) |
weight(With standard soft jaws) |
|
SM-FXB 04 |
5.5 |
110 |
8 |
7.8(800) |
6 |
|
SM-FXB 06 |
5.5 |
110 |
8 |
20.6(2100) |
15 |
|
SM-FXB 08 |
7 |
210 |
38 |
33.3(3400) |
26 |
|
SM-FXB 10 |
7 |
256 |
38 |
51(5200) |
40 |
|
|
Spec
Model
|
Piston stroke |
Max operation pressure |
effective pisuton area(extend) |
effective pisuton area(retract) |
|
|
SM-FXB 04 |
13 |
7 |
60.1 |
57.7 |
|
SM-FXB 06 |
13 |
7 |
146.9 |
140.5 |
|
SM-FXB 08 |
16.5 |
7 |
245.2 |
236.7 |
|
SM-FXB 10 |
16.5 |
7 |
375.8 |
360.6 |
|
|
|
 |
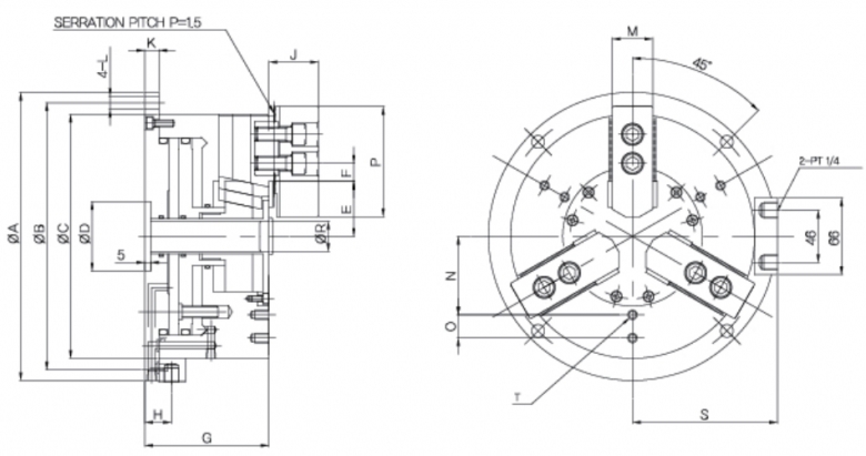
|
Item
Model
|
A |
B |
C |
D |
G |
H |
J |
K |
L |
M |
|
SM-FXB 04 |
147 |
130 |
110 |
35 |
21 |
21 |
29 |
10 |
9 |
25 |
|
SM-FXB 06 |
203 |
185 |
165 |
50 |
23 |
23 |
39 |
12 |
9 |
35 |
|
SM-FXB 08 |
248 |
230 |
210 |
60 |
23 |
23 |
44 |
12 |
11 |
40 |
|
SM-FXB 10 |
300 |
280 |
254 |
80 |
25 |
25 |
49 |
14 |
13 |
45 |
|
|
Item
Model
|
N |
O |
P |
R |
S |
T |
E MAX |
E MIN |
F MAX |
F MIN |
|
|
SM-FXB 04 |
- |
- |
54 |
4 |
75 |
- |
27 |
24.25 |
9 |
6 |
|
SM-FXB 06 |
55 |
20 |
66 |
20 |
102.5 |
M6-10 |
27 |
24.25 |
9 |
6 |
|
SM-FXB 08 |
67 |
25 |
85.5 |
30 |
125 |
M8-13 |
39 |
36.25 |
16.5 |
10.5 |
|
SM-FXB 10 |
80 |
30 |
108 |
44 |
147 |
M8-13 |
59 |
55.5 |
27 |
12 |
|