韩国瑞岩型号:SM-FXA 06/SM-FXA 08
 |
|
|
 |
|
|
 |
|
Spec
Model
|
Jaw stroke(Diameter) mm |
Gripping Max |
Gripping Min |
Max. static gripping force KN(kgf) |
weight(With standard soft jaws) |
|
SM-FXA 06 |
6.9 |
165 |
20 |
41.1(4,200) |
38 |
|
SM-FXA 08 |
7 |
210 |
18 |
51(5200) |
48 |
|
|
Spec
Model
|
Piston stroke |
Max operation pressure |
Matching chuck |
effective pisuton area(extend) |
effective pisuton area(retract) |
|
|
SM-FXA 06 |
15 |
5.5 |
CAS6 |
263 |
263 |
|
SM-FXA 08 |
20 |
7 |
CAS8 |
263 |
263 |
|
|
|
 |
|
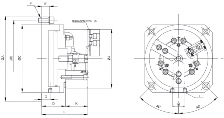
Item
Model
|
A |
B |
C |
D |
E |
F |
|
SM-FXA 06 |
305 |
275 |
242 |
85 |
28 |
4-M16 |
|
SM-FXA 08 |
305 |
275 |
242 |
85 |
28 |
4-M16 |
|
|
Item
Model
|
G |
H |
I |
J |
K |
L |
|
|
SM-FXA 06 |
30.5 |
30.5 |
2-PT1/4 |
165 |
69 |
154 |
|
SM-FXA 08 |
30.5 |
30.5 |
2-PT1/4 |
210 |
80 |
165 |
|
|
|
|
|
|