韩国瑞岩型号:SM-ALW 20/SM-ALW 22/SM-ALW 26/SM-ALW 30
 |
|
|
 |
|
|
 |
|
Spec
Model
|
Spindle nose NO. |
Jaw stroke(Diameter) mm |
Plunger stroke mm |
Max. permissible input force KN(kgf) |
Max. static gripping force KN(kgf) |
Max. Permissible speed r.p.m |
|
SM-ALW 20 |
A2-8 |
27 |
35 |
29.4(3000) |
55(5610) |
2,800 |
|
SM-ALW 22 |
A2-8 |
27 |
35 |
29.4(3000) |
73(7446) |
2,600 |
|
SM-ALW 26 |
A2-11 |
27 |
35 |
29.4(3000) |
86(8772) |
2,200 |
|
SM-ALW 30 |
A2-11 |
27 |
35 |
29.4(3000) |
86(8772) |
1,800 |
|
|
Spec
Model
|
weight(With standard soft jaws) |
matching cylinder |
GD2 |
Wheel Size Range(Max) |
Wheel Size Range(Min) |
|
|
SM-ALW 20 |
120 |
YDP125 |
30.0(3.06) |
16 |
12 |
|
SM-ALW 22 |
140 |
YDP125 |
40.0(4.1) |
18 |
13 |
|
SM-ALW 26 |
160 |
YDP125 |
45.0(4.59) |
20 |
14 |
|
SM-ALW 30 |
240 |
YDP140 |
100.0(10.2) |
22 |
16 |
|
|
|
 |
|
Item
Model
|
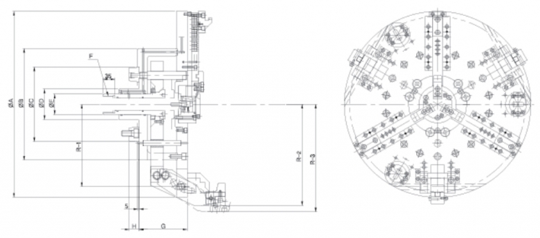
A |
B |
D |
E |
F |
G |
|
SM-ALW 20 |
500 |
300 |
90 |
60 |
M50X92.0 |
141 |
|
SM-ALW 22 |
550 |
330 |
90 |
60 |
M50XP2.0 |
141 |
|
SM-ALW 26 |
600 |
380 |
90 |
60 |
M50X92.0 |
141 |
|
SM-ALW 30 |
660 |
380 |
90 |
60 |
M50XP2.0 |
141 |
|
|
Item
Model
|
H |
Cro |
N1 |
GemXL-Size R-2(CL) |
GemXL-Size R-3(UCL) |
|
|
SM-ALW 20 |
141 |
220 |
218.3 |
141 |
30 |
|
SM-ALW 22 |
141 |
2520 |
243.7 |
141 |
30 |
|
SM-ALW 26 |
141 |
300 |
269.1 |
141 |
37 |
|
SM-ALW 30 |
141 |
300 |
294.5 |
141 |
37 |
|