韩国瑞岩三爪型号:SM-AIR 03/SM-AIR 04/SM-AIR 06/SM-AIR 08/SM-AIR 10
 |
|
|
 |
|
|
 |
|
Spec
Model
|
Jaw stroke(Diameter) mm |
Plunger stroke mm |
Max. permissible input force KN(kgf) |
Max. static gripping force KN(kgf) |
|
SM-AIR 03 |
3.5 |
16 |
15.68(1600) |
46.08(4700) |
|
SM-AIR 04 |
3.5 |
16 |
23.53(2400) |
64.71(6600) |
|
SM-AIR 06 |
4 |
18.5 |
31.37(3200) |
86.27(8800) |
|
SM-AIR 08 |
4 |
18.5 |
13.14(4400) |
118.63(12100) |
|
SM-AIR 10 |
5 |
20 |
58.82(6000) |
136.27(13900) |
|
|
Spec
Model
|
Max. Permissible speed r.p.m |
Gripping dia(out) |
Gripping dia(inside) |
Jaw Amount |
|
|
SM-AIR 03 |
6000 |
8/165 |
48/165 |
3.5 |
|
SM-AIR 04 |
5500 |
12/210 |
62/210 |
3.5 |
|
SM-AIR 06 |
5000 |
25/254 |
75/254 |
4 |
|
SM-AIR 08 |
4200 |
25/304 |
75/304 |
4 |
|
SM-AIR 10 |
3000 |
30/381 |
82/381 |
5 |
|
|
|
 |
|
Item
Model
|
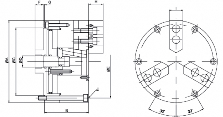
A |
B |
D |
E |
|
SM-AIR 03 |
80 |
55 |
20.6 |
70 |
|
SM-AIR 04 |
100 |
55 |
20.6 |
88.9 |
|
SM-AIR 06 |
150 |
56 |
20.6 |
135.8 |
|
SM-AIR 08 |
203 |
73 |
23.8 |
182.9 |
|
SM-AIR 10 |
254 |
81 |
23.8 |
233.7 |
|
|
Item
Model
|
Cro |
F MAX |
F MIN |
|
|
SM-AIR 03 |
60 |
17 |
9.8 |
|
SM-AIR 04 |
82.55 |
18 |
10.8 |
|
SM-AIR 06 |
124.97 |
17.6 |
10.4 |
|
SM-AIR 08 |
167.64 |
15.9 |
8.7 |
|
SM-AIR 10 |
215.9 |
15.9 |
8.7 |
|