韩国瑞岩三爪卡盘型号:SM-DPM 06/SM-DPM 08/SM-DPM 10/SM-DPM 12/SM-DPM 16
 |
|
|
 |
|
|
 |
|
Spec
Model
|
Jaw stroke(Diameter) mm |
Plunger stroke mm |
Gripping Max |
Gripping Min |
|
SM-DPM 06 |
3Jaw |
5 |
3 |
76 |
|
SM-DPM 08 |
3Jaw, 6Jaw |
5 |
12 |
120 |
|
SM-DPM 10 |
3Jaw, 6Jaw |
5 |
25 |
152 |
|
SM-DPM 12 |
3Jaw, 6Jaw |
5 |
75 |
203 |
|
SM-DPM 16 |
6Jaw |
5 |
140 |
270 |
|
|
Spec
Model
|
Max. Permissible speed r.p.m |
weight(With standard soft jaws) |
matching cylinder |
|
|
SM-DPM 06 |
3800 |
14.5 |
YAS-100 |
|
SM-DPM 08 |
3000 |
23 |
YAS-125 |
|
SM-DPM 10 |
2600 |
35 |
YAS-150 |
|
SM-DPM 12 |
2200 |
58 |
YAS-150 |
|
SM-DPM 16 |
1600 |
58 |
YAS-150 |
|
|
|
 |
|
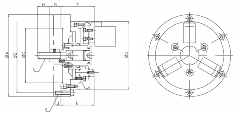
Item
Model
|
A |
B |
D |
E |
F |
H |
|
SM-DPM 06 |
200 |
175 |
160 |
92 |
94 |
36 |
|
SM-DPM 08 |
250 |
225 |
200 |
97 |
99 |
36 |
|
SM-DPM 10 |
305 |
275 |
250 |
102 |
104 |
46 |
|
SM-DPM 12 |
375 |
340 |
280 |
107 |
109 |
50 |
|
SM-DPM 16 |
475 |
435 |
400 |
140 |
142 |
55 |
|
|
Item
Model
|
J |
K |
L |
Cro |
G MAX |
G MIN |
|
|
SM-DPM 06 |
17 |
6-M10 |
M10 |
110 |
36 |
31 |
|
SM-DPM 08 |
18 |
6-M10 |
|
160 |
36 |
31 |
|
SM-DPM 10 |
20 |
6-M12 |
M24 |
220 |
42 |
37 |
|
SM-DPM 12 |
22 |
6-M12 |
M27 |
280 |
55 |
50 |
|
SM-DPM 16 |
25 |
6-M16 |
M30 |
320 |
65 |
60 |
|