韩国瑞岩三爪卡盘型号:SM-QJC 06/SM-QJC 08/SM-QJC 10/SM-QJC 12/SM-QJC 15/SM-QJC 22
 |
|
|
 |
|
|
 |
|
Spec
Model
|
Jaw stroke(Diameter) mm |
Plunger stroke mm |
Max. permissible input force KN(kgf) |
Max. static gripping force KN(kgf) |
Max. Permissible speed r.p.m |
|
SM-QJC 06 |
3.5 |
16 |
15.68(1600) |
46.08(4700) |
6000 |
|
SM-QJC 08 |
3.5 |
16 |
23.53(2400) |
64.70(6600) |
5500 |
|
SM-QJC 10 |
4 |
18.5 |
31.37(3200) |
86.27(8800) |
5000 |
|
SM-QJC 12 |
4 |
18.5 |
43.13(4400) |
118.63(12100) |
4200 |
|
SM-QJC 15 |
5 |
20 |
58.82(6000) |
136.27(13900) |
3000 |
|
SM-QJC 22 |
7.5 |
30 |
58.82(6000) |
136.27(13900) |
2200 |
|
|
Spec
Model
|
weight(With standard soft jaws) |
matching cylinder |
Gripping dia(out) |
Gripping dia(inside) |
GD2 |
|
|
SM-QJC 06 |
16 |
YAH-06 |
48/165 |
8/165 |
0.060 |
|
SM-QJC 08 |
28 |
YAH-08 |
62/210 |
12/210 |
0.15 |
|
SM-QJC 10 |
42 |
YAH-10 |
75/254 |
25/254 |
0.30 |
|
SM-QJC 12 |
68 |
YAH-12 |
75/304 |
25/304 |
0.810 |
|
SM-QJC 15 |
135 |
YAH-15 |
82/381 |
30/381 |
2.60 |
|
SM-QJC 22 |
820 |
YAH-21 |
130/560 |
60/560 |
11.63 |
|
|
|
 |
|
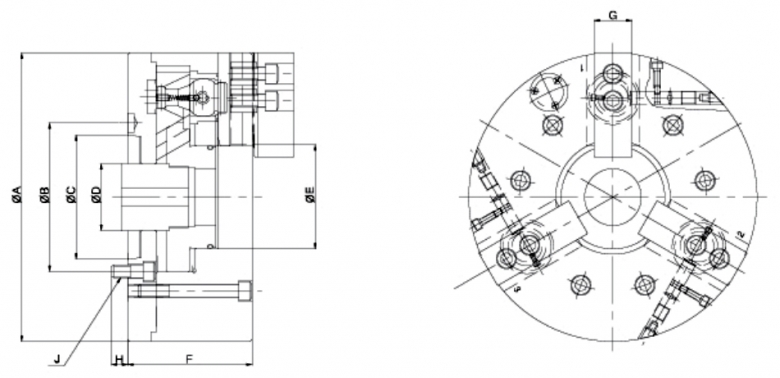
Item
Model
|
A |
B |
C |
D |
E |
|
SM-QJC 06 |
165 |
104.78 |
82.565 |
M45XP1.5 |
42 |
|
SM-QJC 08 |
210 |
133.4 |
106.375 |
M58XP1.5 |
52 |
|
SM-QJC 10 |
254 |
171.45 |
139.719 |
M72XP1.5 |
66.5 |
|
SM-QJC 12 |
305 |
171.45 |
139.719 |
M96XP1.5 |
90 |
|
SM-QJC 15 |
380 |
235 |
196.869 |
M132XP1.5 |
125 |
|
SM-QJC 22 |
560 |
235 |
196.869 |
M132XP1.5 |
285 |
|
|
Item
Model
|
F |
G |
H |
J |
|
|
SM-QJC 06 |
123 |
31 |
31 |
6-M10 |
|
SM-QJC 08 |
136 |
40 |
40 |
6-M12 |
|
SM-QJC 10 |
150 |
40 |
40 |
6-M16 |
|
SM-QJC 12 |
168 |
46 |
46 |
6-M16 |
|
SM-QJC 15 |
176 |
60 |
60 |
6-M20 |
|
SM-QJC 22 |
197 |
60 |
60 |
6-M20 |
|