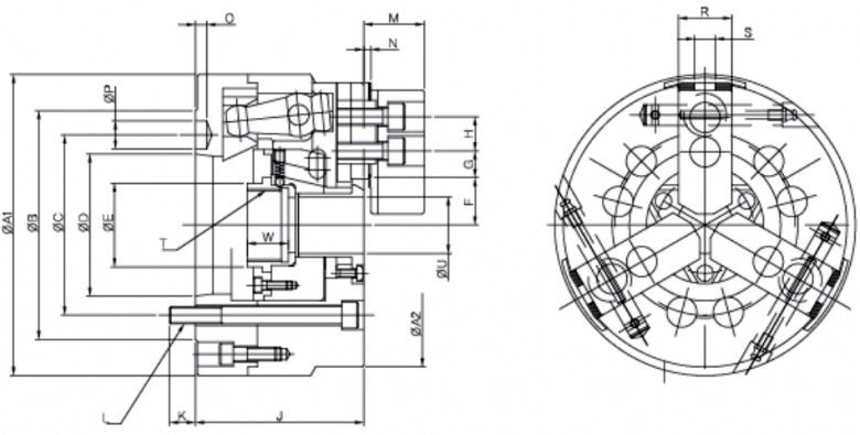
韩国瑞岩三爪卡盘型号:SM-SPD 06/SM-SPD 08/SM-SPD 10/SM-SPD 12/SM-SPD 15
 |
|
|
 |
|
|
 |
|
Spec
Model
|
Thru-hole(Diameter) mm |
Jaw stroke(Diameter) mm |
Plunger stroke mm |
Gripping Max |
Gripping Min |
Max. permissible input force KN(kgf) |
|
SM-SPD 06 |
33 |
5.5 |
12 |
165 |
13 |
19.60(2000) |
|
SM-SPD 08 |
46 |
7.4 |
16 |
210 |
11 |
30.39(3100) |
|
SM-SPD 10 |
65 |
8.8 |
19 |
254 |
31 |
37.25(3800) |
|
SM-SPD 12 |
78 |
10.6 |
23 |
304 |
34 |
48.04(4900) |
|
SM-SPD 15 |
117.5 |
10.6 |
23 |
381 |
30 |
69.61(7100) |
|
|
Spec
Model
|
Max. static gripping force KN(kgf) |
Max. Permissible speed r.p.m |
weight(With standard soft jaws) |
matching cylinder |
GD2 |
|
|
SM-SPD 06 |
50.00(5100) |
6700 |
14.9 |
YAH-06 |
0.24 |
|
SM-SPD 08 |
76.47(7800) |
5600 |
25.5 |
YAH-08 |
0.59 |
|
SM-SPD 10 |
97.06(9900) |
4500 |
36.1 |
YAH-10 |
1.27 |
|
SM-SPD 12 |
126.47(12900) |
3500 |
30.4 |
YAH-12 |
3.0 |
|
SM-SPD 15 |
176.47(18000) |
2800 |
111 |
YAH-15 |
9.1 |
|
|
|
 |
|
Item
Model
|
B |
C |
D |
E |
H |
J |
K |
L |
M |
N |
O |
P |
|
SM-SPD 06 |
135 |
104.78 |
82.552 |
48.8 |
20 |
98 |
15 |
6-M10 |
33 |
4 |
6.5 |
16.28 |
|
SM-SPD 08 |
165 |
133.35 |
106.375 |
61 |
25 |
110 |
18 |
6-M12 |
39 |
5 |
6.5 |
19.46 |
|
SM-SPD 10 |
210 |
171.45 |
139.719 |
84.5 |
30 |
114 |
24 |
6-M16 |
45 |
5 |
8 |
24.21 |
|
SM-SPD 12 |
210 |
171.45 |
139.719 |
96 |
30 |
125 |
23 |
6-M16 |
51 |
5 |
8 |
24.21 |
|
SM-SPD 15 |
281 |
235 |
196.869 |
139 |
43 |
154 |
30 |
6-M20 |
70 |
5 |
10 |
29.36 |
|
|
Item
Model
|
R |
S |
T |
|
W |
A1 |
A2 |
F MAX |
F MIN |
G MAX |
G MIN |
|
|
SM-SPD 06 |
31 |
12 |
M42XP1.5 |
33 |
20 |
175 |
165 |
27.5 |
24.75 |
26.25 |
8.25 |
|
SM-SPD 08 |
35 |
14 |
M55XP2.0 |
46 |
25 |
215 |
210 |
35.7 |
32 |
31.25 |
10.25 |
|
SM-SPD 10 |
40 |
16 |
M75XP2.0 |
65 |
30 |
254 |
254 |
50 |
45.6 |
33.75 |
11.25 |
|
SM-SPD 12 |
50 |
21 |
M88XP2.0 |
78 |
33 |
304 |
304 |
58 |
52.7 |
48.75 |
11.25 |
|
SM-SPD 15 |
62 |
22 |
M130XP2.0 |
117.5 |
33 |
381 |
381 |
82 |
76.7 |
46.75 |
13.75 |
|