韩国瑞岩六爪卡盘型号:SM-TIL 08/SM-TIL 10/SM-TIL 12
 |
|
|
 |
|
|
 |
|
Spec
Model
|
Jaw stroke(Diameter) mm |
Plunger stroke mm |
Max. permissible input force KN(kgf) |
Max. static gripping force KN(kgf) |
Max. Permissible speed r.p.m |
|
SM-TIL 08 |
8 |
4 |
39.2(4000) |
29.4(3000) |
3000 |
|
SM-TIL 10 |
8 |
4 |
58.8(6000) |
44.1(4500) |
2600 |
|
SM-TIL 12 |
8 |
4 |
78.5(8000) |
67.7(6900) |
2200 |
|
|
Spec
Model
|
weight(With standard soft jaws) |
matching cylinder |
Gripping dia(out) |
Gripping dia(inside) |
GD2 |
|
|
SM-TIL 08 |
36 |
YAS-125 |
40~132 |
150~210 |
1.27(0.13) |
|
SM-TIL 10 |
50 |
YAS-150 |
50~160 |
190~254 |
2.74(0.28) |
|
SM-TIL 12 |
71 |
YAS-150 |
60~200 |
230~304 |
6.57(0.67) |
|
|
|
 |
|
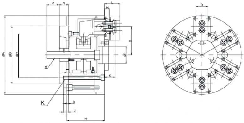
Item
Model
|
A |
C |
F |
J |
K |
L |
M |
N Max |
N Min |
|
SM-TIL 08 |
230 |
133.4 |
50 |
22 |
3-M16 |
44 |
14 |
31 |
27 |
|
SM-TIL 10 |
254 |
133.4 |
50 |
22 |
3-M16 |
59 |
18 |
35 |
31 |
|
SM-TIL 12 |
304 |
171.4 |
60 |
22 |
6-M16 |
65 |
22 |
35 |
31 |
|
|
Item
Model
|
O |
P |
R |
S |
X |
Bro |
G MAX |
G MIN |
|
|
SM-TIL 08 |
5 |
38 |
35 |
M20 |
33 |
170 |
84.5 |
80.5 |
|
SM-TIL 10 |
5 |
46 |
40 |
M24 |
39 |
190 |
87 |
83 |
|
SM-TIL 12 |
5 |
50 |
50 |
M27 |
42 |
220 |
112 |
108 |
|