韩国瑞岩两爪三爪卡盘型号:SM-DNT 08/SM-DNT 10/SM-DNT 12/SM-DNT 15
 |
|
|
 |
|
|
 |
|
Spec
Model
|
Jaw stroke(Diameter) mm |
Plunger stroke mm |
Gripping Max |
Gripping Min |
weight(With standard soft jaws) |
matching cylinder |
Max permissible input force 2jaw |
|
SM-DNT 08 |
9.6 |
18 |
210 |
30 |
20 |
YAS-100 |
14.7(1500) |
|
SM-DNT 10 |
18.2 |
25 |
254 |
30 |
32 |
YAS-125 |
22.6(2300) |
|
SM-DNT 12 |
20.4 |
28 |
304 |
50 |
55 |
YAS-150 |
29.4(3000) |
|
SM-DNT 15 |
20.4 |
25 |
381 |
70 |
99 |
YAS-150 |
39.2(4000) |
|
|
Spec
Model
|
Max permissible input force 3jaw |
Max static gripping force 2jaw |
Max static gripping force 3jaw |
Max permissible speed 2jaw |
Max permissible speed 3jaw |
GD2 |
|
|
SM-DNT 08 |
19.6(2000) |
32.4(3300) |
43.1(4400) |
3500 |
3500 |
1.08(0.11) |
|
SM-DNT 10 |
34.3(3500) |
40.2(4000) |
60.8(6200) |
2800 |
3500 |
2.55(0.26) |
|
SM-DNT 12 |
44.1(4500) |
52(5300) |
78.5(8000) |
2000 |
2500 |
3.92(0.40) |
|
SM-DNT 15 |
58.8(6000) |
68.6(7000) |
103(10500) |
1600 |
2000 |
18.42(1.88) |
|
|
|
 |
|
Item
Model
|
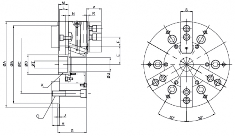
A |
C |
D |
G |
H |
J |
M |
N |
O |
R |
|
SM-DNT 08 |
210 |
133.4 |
48 |
73 |
20 |
5 |
26 |
5 |
M12 |
5 |
|
SM-DNT 10 |
254 |
171.4 |
58 |
85 |
22 |
5 |
25 |
8 |
M16 |
5 |
|
SM-DNT 12 |
304 |
200 |
75 |
97 |
25 |
5 |
28 |
11 |
M20 |
5 |
|
SM-DNT 15 |
381 |
250 |
95 |
122 |
27 |
7 |
28 |
5 |
M20 |
5 |
|
|
Item
Model
|
S |
T |
Bro |
E MAX |
E MIN |
F MAX |
F MIN |
K MAX |
L MAX |
|
|
SM-DNT 08 |
30 |
17 |
190 |
45.8 |
41 |
30 |
7.5 |
M42X1.5 |
23 |
|
SM-DNT 10 |
35 |
21 |
230 |
51.3 |
55.6 |
42 |
9.5 |
M50X2 |
25 |
|
SM-DNT 12 |
40 |
28 |
280 |
65.8 |
55.6 |
46.5 |
10.5 |
M65X2 |
25 |
|
SM-DNT 15 |
50 |
31 |
350 |
85.4 |
75.2 |
51 |
15 |
M85X2 |
28 |
|