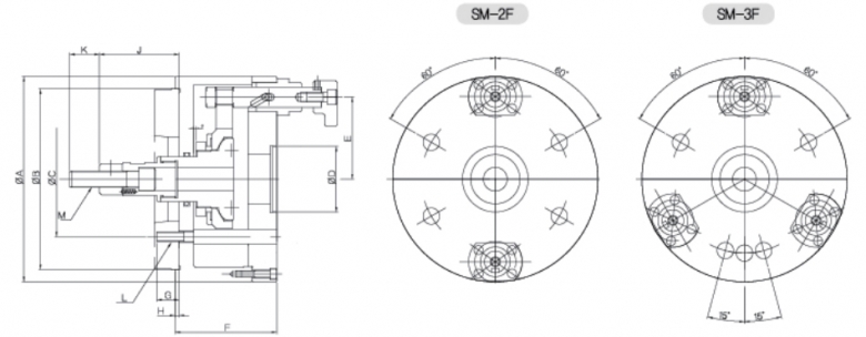
韩国瑞岩型号:SM-2F,-3F 06/SM-2F,-3F 08/SM-2F,-3F 10/SM-2F,-3F 12/SM-2F,-3F 15/SM-2F,-3F 18
 |
|
|
 |
|
|
 |
|
Spec
Model
|
Plunger stroke mm |
Max. permissible input force KN(kgf) |
Max. static gripping force KN(kgf) |
Max. Permissible speed r.p.m |
|
SM-2F,-3F 06 |
15 |
17.65(1800) |
13.73(1400) |
3600 |
|
SM-2F,-3F 08 |
20 |
26.47(2700) |
20.59(2100) |
2900 |
|
SM-2F,-3F 10 |
25 |
35.29(3600) |
27.45(2800) |
2400 |
|
SM-2F,-3F 12 |
25 |
35.29(3600) |
27.45(2800) |
2100 |
|
SM-2F,-3F 15 |
25 |
44.12(4500) |
35.29(3600) |
1800 |
|
SM-2F,-3F 18 |
25 |
44.12(4500) |
35.29(3600) |
1600 |
|
|
Spec
Model
|
weight(With standard soft jaws) |
matching cylinder |
Jaw Stroke Swing |
Jaw Stroke Strate |
|
|
SM-2F,-3F 06 |
11 |
YAH-100 |
11 |
4 |
|
SM-2F,-3F 08 |
21 |
YAS-125 |
15 |
5 |
|
SM-2F,-3F 10 |
35 |
YAS-150 |
20 |
5 |
|
SM-2F,-3F 12 |
47 |
YAS-150 |
20 |
5 |
|
SM-2F,-3F 15 |
97 |
YAS-150 |
20 |
5 |
|
SM-2F,-3F 18 |
133 |
YAS-200 |
20 |
5 |
|
|
|
 |
|
Item
Model
|
A |
C |
D |
E |
F |
G |
H |
|
SM-2F,-3F 06 |
165 |
104.77 |
45 |
55 |
80 |
16 |
5 |
|
SM-2F,-3F 08 |
210 |
133.35 |
65 |
75 |
95 |
19 |
19 |
|
SM-2F,-3F 10 |
254 |
171.45 |
85 |
95 |
105 |
23 |
23 |
|
SM-2F,-3F 12 |
304 |
171.45 |
110 |
120 |
105 |
23 |
23 |
|
SM-2F,-3F 15 |
381 |
235 |
140 |
155 |
120 |
32 |
5 |
|
SM-2F,-3F 18 |
457 |
235 |
175 |
192 |
130 |
32 |
5 |
|
|
Item
Model
|
K |
L |
M |
Bro |
J MAX |
J MIN |
|
|
SM-2F,-3F 06 |
36 |
3-M10 |
M16 |
140 |
85 |
70 |
|
SM-2F,-3F 08 |
36 |
3-M12 |
M20 |
170 |
90 |
75 |
|
SM-2F,-3F 10 |
46 |
3-M16 |
M24 |
220 |
105 |
80 |
|
SM-2F,-3F 12 |
46 |
3-M16 |
M24 |
220 |
105 |
80 |
|
SM-2F,-3F 15 |
50 |
3-M20 |
M27 |
300 |
115 |
90 |
|
SM-2F,-3F 18 |
50 |
3-M20 |
M30 |
300 |
115 |
90 |
|