卡盘商城欢迎您!
微信公众号
扫一扫关注
收藏本站
帮助中心
网站首页
台湾卡盘
韩国卡盘
日本卡盘
德国卡盘
国产卡盘
卡盘资讯
联系我们
卡盘油缸一站式供应
℃
收藏
分享
韩国瑞岩seoam自动分度定心型动力卡盘SM-HSRD
品牌:
韩国瑞岩
动力:
动力卡盘
爪数:
型号:
SM-HSRD 255
产品介绍
图纸下载
韩国瑞岩型号:SM-HSRD 255
Spec
Model
Spindle nose NO.
weight(With standard soft jaws)
Gd moment of inertia
SM-HSRD 255
ASA No.6
25
8.82(0.90)
Spec
Model
Gripping force
Main spindle bore speed
SM-HSRD 255
12.45(1270)
Over 45
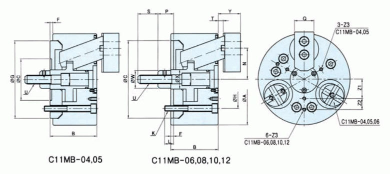
Item
Model
A
C
D
E
F
G
H
I
J
SM-HSRD 255
225
103
154
35
119
63
5
96
46
Item
Model
K
L
M
N
R
S
T
Bro
SM-HSRD 255
58
15
15
40
133
4-M12
41
185