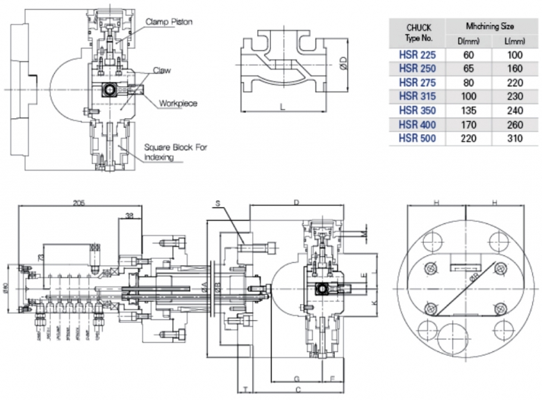
韩国瑞岩型号:SM-HSR 225/SM-HSR 250/SM-HSR 275/SM-HSR 315/SM-HSR 350/SM-HSR 400/SM-HSR 500
 |
|
|
 |
|
|
 |
|
Spec
Model
|
weight(With standard soft jaws) |
Gripping force |
Lathe Spindle |
|
SM-HSR 225 |
29 |
12.4(1.270) |
ASA No.6~8 |
|
SM-HSR 250 |
44 |
17(1,730) |
ASA No.6~8 |
|
SM-HSR 275 |
56 |
25(2,550) |
ASA No.6~8 |
|
SM-HSR 315 |
75 |
25(2,550) |
ASA No.6~8 |
|
SM-HSR 350 |
100 |
25(2,550) |
ASA No11 |
|
SM-HSR 400 |
145 |
34.6(3,530) |
ASA No11 |
|
SM-HSR 500 |
230 |
45.8(4,670) |
ASA No.15 |
|
|
Spec
Model
|
Main spindle bore speed |
GD2 |
|
|
SM-HSR 225 |
Over 45 |
8.82(0.9) |
|
SM-HSR 250 |
Over 45 |
16.66(1.7) |
|
SM-HSR 275 |
Over 45 |
27.44(2.8) |
|
SM-HSR 315 |
Over 55 |
49(5.0) |
|
SM-HSR 350 |
Over 55 |
78.4(8.0) |
|
SM-HSR 400 |
Over 55 |
147(15.0) |
|
SM-HSR 500 |
Over 55 |
248.92(25.4) |
|
|
|
 |
|
Item
Model
|
A |
C |
D |
F |
G |
H |
K |
|
SM-HSR 225 |
225 |
149 |
154 |
35 |
84 |
84 |
46 |
|
SM-HSR 250 |
250 |
185 |
190 |
40 |
113 |
113 |
46 |
|
SM-HSR 275 |
275 |
208 |
213 |
48 |
125 |
125 |
57 |
|
SM-HSR 315 |
315 |
227 |
232 |
50 |
136 |
136 |
70 |
|
SM-HSR 350 |
350 |
235 |
240 |
50 |
148 |
145 |
84 |
|
SM-HSR 400 |
400 |
254 |
259 |
60 |
160 |
165 |
100 |
|
SM-HSR 500 |
500 |
301 |
308 |
68 |
200 |
205 |
133 |
|
|
Item
Model
|
L |
M |
R |
S |
T |
Bro |
|
|
SM-HSR 225 |
58 |
14.5 |
133.4 |
4-M12 |
25 |
185 |
|
SM-HSR 250 |
55 |
20 |
133.4 |
4-M12 |
25 |
210 |
|
SM-HSR 275 |
67 |
20.5 |
171.4 |
4-M16 |
25 |
210 |
|
SM-HSR 315 |
85 |
22 |
171.4 |
4-M16 |
|
235 |
|
SM-HSR 350 |
102 |
23 |
235 |
4-M20 |
30 |
290 |
|
SM-HSR 400 |
114 |
30 |
235 |
4-M20 |
30 |
290 |
|
SM-HSR 500 |
157 |
35 |
235/330.2 |
4-M20/4-M24 |
35 |
380 |
|