韩国瑞岩三爪卡盘型号:SM-LVS 06/SM-LVS 08/SM-LVS 10/SM-LVS 12
 |
|
|
 |
|
|
 |
|
Spec
Model
|
Jaw stroke(Diameter) mm |
Plunger stroke mm |
Max. permissible input force KN(kgf) |
Max. static gripping force KN(kgf) |
Max. Permissible speed r.p.m |
|
SM-LVS 06 |
10 |
4 |
22.6(2300) |
14.7(1500) |
3800 |
|
SM-LVS 08 |
11 |
5 |
39.2(4000) |
29.4(3000) |
3000 |
|
SM-LVS 10 |
13.2 |
6 |
58.8(6000) |
44.1(4500) |
2600 |
|
SM-LVS 12 |
14.6 |
8 |
78.5(8000) |
67.7(6900) |
2200 |
|
|
Spec
Model
|
weight(With standard soft jaws) |
matching cylinder |
Gripping dia(out) |
Gripping dia(inside) |
GD2 |
|
|
SM-LVS 06 |
14.5 |
YAS-100 |
25~110 |
130~175 |
0.52(0.053) |
|
SM-LVS 08 |
23 |
YAS-125 |
40~132 |
150~210 |
1.27(0.13) |
|
SM-LVS 10 |
35 |
YAS-150 |
50~160 |
190~254 |
2.74(0.28) |
|
SM-LVS 12 |
58 |
YAS-150 |
60~200 |
230~304 |
6.57(0.67) |
|
|
|
 |
|
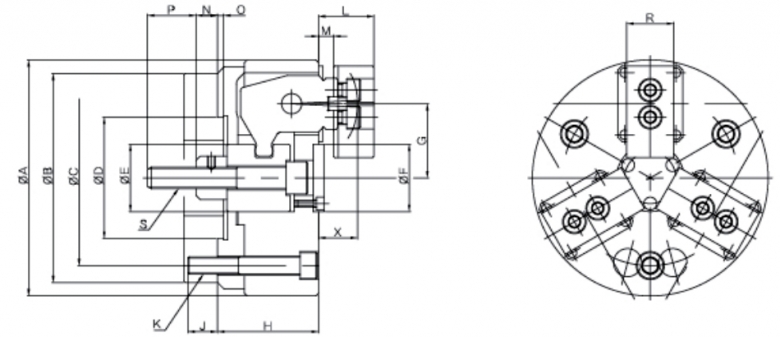
Item
Model
|
A |
B |
C |
E |
F |
H |
J |
K |
L |
M |
|
SM-LVS 06 |
175 |
165 |
130 |
50 |
50 |
75 |
22 |
3-M16 |
41 |
11 |
|
SM-LVS 08 |
175 |
165 |
130 |
55 |
50 |
|
22 |
3-M16 |
53 |
12 |
|
SM-LVS 10 |
254 |
235 |
150 |
70 |
65 |
90 |
22 |
3-M16 |
59 |
13 |
|
SM-LVS 12 |
304 |
260 |
170 |
80 |
90 |
105 |
22 |
6-M16 |
65 |
14 |
|
|
Item
Model
|
N Max |
N Min |
O |
P |
R |
S |
X |
Dro |
G MAX |
G MIN |
|
|
SM-LVS 06 |
18 |
14 |
5 |
36 |
35 |
M16 |
29 |
90 |
57.5 |
52.5 |
|
SM-LVS 08 |
23 |
18 |
5 |
38 |
40 |
M20 |
33 |
120 |
68.7 |
63.2 |
|
SM-LVS 10 |
27.5 |
21.5 |
4.5 |
46 |
50 |
M24 |
39 |
120 |
83.7 |
76.6 |
|
SM-LVS 12 |
28.5 |
20.5 |
3.5 |
50 |
60 |
M27 |
42 |
140 |
103.6 |
96.3 |
|