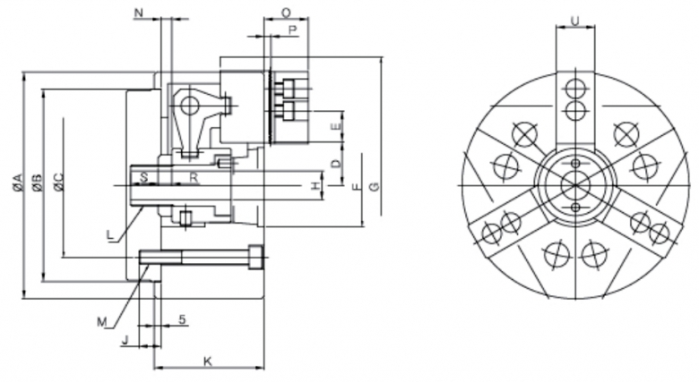
韩国瑞岩三爪卡盘型号:SM-LVL 06/SM-LVL 08/SM-LVL 10/SM-LVL 12
 |
|
|
 |
|
|
 |
|
Spec
Model
|
Jaw stroke(Diameter) mm |
Plunger stroke mm |
Gripping Max |
Gripping Min |
Max. permissible input force KN(kgf) |
|
SM-LVL 06 |
32 |
20 |
165 |
10 |
22.6(2300) |
|
SM-LVL 08 |
40 |
25 |
215 |
28 |
31.4(3200) |
|
SM-LVL 10 |
42 |
28 |
245 |
42 |
37.3(3800) |
|
SM-LVL 12 |
50 |
35 |
304 |
20 |
49(5000) |
|
|
Spec
Model
|
Max. static gripping force KN(kgf) |
Max. Permissible speed r.p.m |
weight(With standard soft jaws) |
GD2 |
|
|
SM-LVL 06 |
19.6(2000) |
3600 |
11 |
0.37(0.038) |
|
SM-LVL 08 |
27.5(2800) |
3000 |
23 |
01.27(0.13) |
|
SM-LVL 10 |
34.3(3500) |
2400 |
34 |
2.74(0.28) |
|
SM-LVL 12 |
48.1(4900) |
2100 |
62 |
7.154(0.74) |
|
|
|
 |
|
Item
Model
|
A |
C |
F |
H |
J |
K |
L |
M |
N Max |
N Min |
O |
|
SM-LVL 06 |
165 |
104.8 |
60 |
21 |
16 |
80 |
M30Xp2.0 |
6-M12 |
18 |
-12 |
32 |
|
SM-LVL 08 |
215 |
133.4 |
80 |
36 |
20 |
93 |
M45XP2.0 |
6-M12 |
21 |
-4 |
39 |
|
SM-LVL 10 |
254 |
133.4 |
105 |
55 |
17 |
111 |
M65XP2.0 |
6-M12 |
26 |
-2 |
44 |
|
SM-LVL 12 |
304 |
171.4 |
110 |
62 |
22 |
130 |
M72XP2.0 |
6-M16 |
31.5 |
-3.5 |
49 |
|
|
Item
Model
|
P |
R |
S |
|
Bro |
D MAX |
D MIN |
E MAX |
E MIN |
G MAX |
|
|
SM-LVL 06 |
3 |
10 |
20 |
28 |
140 |
39.8 |
23.8 |
30 |
9 |
185 |
|
SM-LVL 08 |
5 |
10 |
25 |
35 |
190 |
53.8 |
33.8 |
35 |
10 |
238 |
|
SM-LVL 10 |
5 |
12 |
25 |
40 |
230 |
67.3 |
46.3 |
37.5 |
13.5 |
280 |
|
SM-LVL 12 |
5 |
14 |
30 |
45 |
230 |
73.3 |
48.3 |
52 |
14 |
334 |
|