韩国瑞岩三爪卡盘型号:SM-COD 06/SM-COD 08/SM-COD 10/SM-COD 12
 |
|
|
 |
|
|
 |
|
Spec
Model
|
Jaw stroke(Diameter) mm |
Plunger stroke mm |
Gripping Max |
Max. permissible input force KN(kgf) |
Max. static gripping force KN(kgf) |
|
SM-COD 06 |
8 |
15 |
50 |
14.7(1500) |
25(2540) |
|
SM-COD 08 |
8 |
20 |
65 |
19.6(2000) |
53(5400) |
|
SM-COD 10 |
10 |
25 |
90 |
29.4(3000) |
67.7(6900) |
|
SM-COD 12 |
10 |
25 |
110 |
39.2(4000) |
88.3(9000) |
|
|
Spec
Model
|
Max. Permissible speed r.p.m |
weight(With standard soft jaws) |
matching cylinder |
GD2 |
|
|
SM-COD 06 |
2800 |
15 |
YAS-100 |
0.49(0.05) |
|
SM-COD 08 |
2800 |
23 |
YAS-125 |
1.27(0.13) |
|
SM-COD 10 |
2400 |
37 |
YAS-125 |
2.74(0.28) |
|
SM-COD 12 |
2000 |
54 |
YAS-140 |
6.37(0.65) |
|
|
|
 |
|
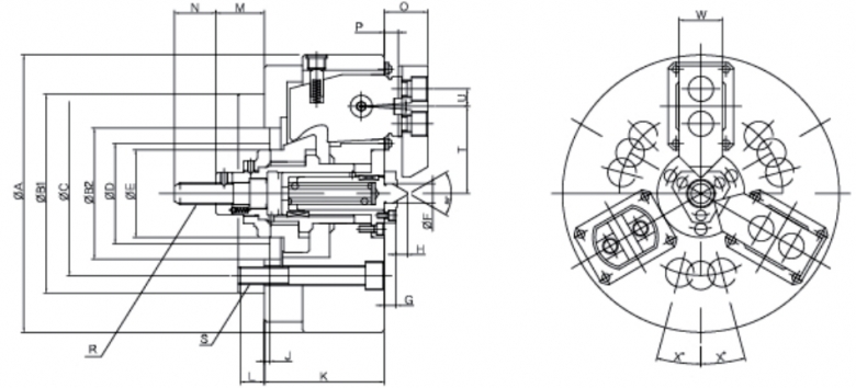
Item
Model
|
A |
C |
D |
E |
F |
G |
H |
J |
K |
L |
N |
O |
|
SM-COD 06 |
175 |
160 |
70 |
60 |
8 |
15 |
6.9 |
5 |
80 |
22 |
38 |
33 |
|
SM-COD 08 |
210 |
160 |
82 |
70 |
10.4 |
10 |
9 |
5 |
100 |
22 |
38 |
38 |
|
SM-COD 10 |
254 |
180 |
92 |
80 |
12.7 |
12 |
11 |
5 |
110 |
22 |
38 |
40 |
|
SM-COD 12 |
304 |
216 |
98 |
85 |
12.7 |
12 |
11 |
5 |
120 |
22 |
46 |
51 |
|
|
Item
Model
|
P |
R |
S |
|
|
W |
X |
Bro |
B1 |
M MAX |
M MIN |
|
|
SM-COD 06 |
10 |
M16 |
3-M16 |
57 |
53 |
31 |
- |
90 |
160 |
47 |
32 |
|
SM-COD 08 |
12 |
M16 |
3-M16 |
68 |
64 |
40 |
- |
105 |
160 |
50.5 |
30.5 |
|
SM-COD 10 |
13 |
M20 |
3-M16 |
82.5 |
77.5 |
40 |
- |
120 |
180 |
57 |
32 |
|
SM-COD 12 |
14 |
M24 |
3-M16 |
102.5 |
97.5 |
50 |
15degree |
140 |
216 |
61 |
36 |
|