韩国瑞岩三爪卡盘型号:SM-COS 06/SM-COS 08/SM-COS 10/SM-COS 12
 |
|
|
 |
|
|
 |
|
Spec
Model
|
Jaw stroke(Diameter) mm |
Plunger stroke mm |
Gripping Max |
Gripping Min |
Max. permissible input force KN(kgf) |
|
SM-COS 06 |
7 |
15 |
33 |
15 |
11.8 |
|
SM-COS 08 |
2 |
8 |
38 |
18 |
17.7 |
|
SM-COS 10 |
10 |
25 |
52 |
22 |
23.5 |
|
SM-COS 12 |
10 |
25 |
73 |
25 |
29.4 |
|
|
Spec
Model
|
Max. static gripping force KN(kgf) |
Max. Permissible speed r.p.m |
weight(With standard soft jaws) |
matching cylinder |
GD2 |
|
|
SM-COS 06 |
23.5 |
2800 |
16 |
YAS-80 |
0.57(0.058) |
|
SM-COS 08 |
41.2 |
2800 |
25 |
YAS-100 |
1.27(0.13) |
|
SM-COS 10 |
58.8 |
2400 |
37.5 |
YAS-125 |
2.94(0.3) |
|
SM-COS 12 |
73.5 |
2000 |
59.7 |
YAS-125 |
6.86(0.7) |
|
|
|
 |
|
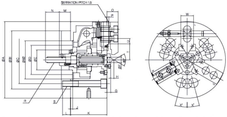
Item
Model
|
A |
C |
D |
E |
F |
G |
H |
J |
K |
L |
N |
O |
|
SM-COS 06 |
175 |
130 |
70 |
60 |
10.4 |
10 |
9 |
5 |
90 |
22 |
38 |
27.5 |
|
SM-COS 08 |
210 |
130 |
82 |
70 |
10.4 |
10 |
9 |
5 |
100 |
22 |
38 |
30 |
|
SM-COS 10 |
254 |
150 |
92 |
80 |
12.7 |
12 |
11 |
5 |
110 |
22 |
38 |
33 |
|
SM-COS 12 |
304 |
170 |
98 |
85 |
12.7 |
12 |
11 |
5 |
125 |
22 |
46 |
36 |
|
|
Item
Model
|
P |
R |
S |
|
|
U Max |
W |
X |
B1 |
|
M MAX |
M MIN |
|
|
SM-COS 06 |
5 |
M16 |
3-M16 |
38.8 |
35.3 |
16.5 |
31 |
- |
160 |
90 |
47 |
32 |
|
SM-COS 08 |
5 |
M16 |
3-M16 |
43.8 |
39.8 |
21 |
35 |
- |
160 |
105 |
50.5 |
30.5 |
|
SM-COS 10 |
5 |
M20 |
3-M16 |
48.8 |
43.8 |
27.5 |
40 |
- |
180 |
120 |
57 |
32 |
|
SM-COS 12 |
5 |
M24 |
6-M16 |
50.8 |
45.8 |
39.5 |
45 |
15degee |
216 |
140 |
61 |
36 |
|