韩国瑞岩型号:SM-ODC 06/SM-ODC 08/SM-ODC 10/SM-ODC 12
 |
|
|
 |
|
|
 |
|
Spec
Model
|
Gripping Max |
Gripping Min |
Max. permissible input force KN(kgf) |
Max. static gripping force KN(kgf) |
Max. Permissible speed r.p.m |
|
SM-ODC 06 |
50 |
15 |
14.7(1500) |
27.45(2800) |
4500 |
|
SM-ODC 08 |
80 |
40 |
24.5(2500) |
45.10(4600) |
4000 |
|
SM-ODC 10 |
130 |
80 |
34.31(3500) |
63.73(6500) |
3300 |
|
SM-ODC 12 |
180 |
100 |
39.22(4000) |
73.53(7500) |
2500 |
|
|
Spec
Model
|
weight(With standard soft jaws) |
matching cylinder |
GD2 |
Collet Range |
Cylinder Stroke |
|
|
SM-ODC 06 |
11 |
YAS-100 |
1.08(0.11) |
1.4 |
4 |
|
SM-ODC 08 |
23 |
YAS-125 |
4.31(0.44) |
1.4 |
4 |
|
SM-ODC 10 |
49 |
YAS-125 |
17.25(1.76) |
1.4 |
4 |
|
SM-ODC 12 |
67 |
YAS-140 |
30.38(3.1) |
1.4 |
4 |
|
|
|
 |
|
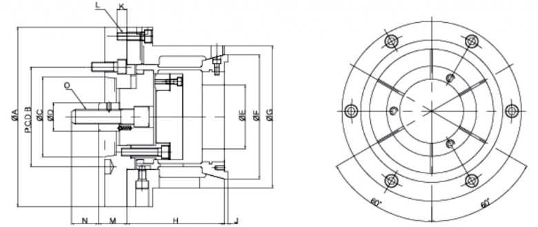
Item
Model
|
A |
B |
C |
D |
F |
G |
H |
K |
L |
|
SM-ODC 06 |
165 |
104.8 |
82.563 |
32 |
100 |
130 |
115 |
15 |
6-M12 |
|
SM-ODC 08 |
210 |
133.4 |
106.375 |
38 |
148 |
185 |
125 |
17 |
6-M14 |
|
SM-ODC 10 |
254 |
171.4 |
139.719 |
50 |
182 |
250 |
145 |
20 |
6-M16 |
|
SM-ODC 12 |
304 |
171.4 |
139.719 |
52 |
230 |
390 |
170 |
20 |
6-M16 |
|
|
Item
Model
|
N |
O |
E MAX |
E MIN |
J MAX |
J MIN |
M MAX |
M MIN |
|
|
SM-ODC 06 |
36 |
M16 |
50 |
15 |
7 |
3 |
42 |
38 |
|
SM-ODC 08 |
36 |
M20 |
90 |
40 |
7 |
3 |
42 |
38 |
|
SM-ODC 10 |
46 |
M24 |
130 |
80 |
7 |
3 |
52 |
48 |
|
SM-ODC 12 |
55 |
M27 |
180 |
100 |
7 |
3 |
62 |
58 |
|