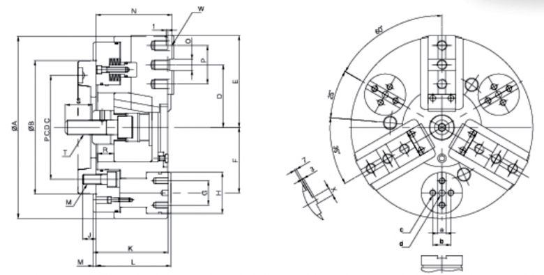
韩国瑞岩三爪卡盘型号:SM-PDO 250/SM-PDO 300/SM-PDO 380/SM-PDO 200
 |
|
|
 |
|
|
 |
|
Spec
Model
|
Jaw stroke(Diameter) mm |
Plunger stroke mm |
Gripping Max |
Gripping Min |
Max. permissible input force KN(kgf) |
|
SM-PDO 250 |
10.57 |
30 |
250 |
24 |
40(4081) |
|
SM-PDO 300 |
11.99 |
34 |
300 |
26 |
50(5105) |
|
SM-PDO 380 |
11.99 |
34 |
380 |
60 |
60(6122) |
|
SM-PDO 200 |
8.46 |
24 |
200 |
23 |
30(3061) |
|
|
Spec
Model
|
Max. static gripping force KN(kgf) |
Max. Permissible speed r.p.m |
weight(With standard soft jaws) |
matching cylinder |
|
|
SM-PDO 250 |
108(11020) |
3000 |
37 |
YAS-125 |
|
SM-PDO 300 |
135(13775) |
2500 |
54 |
YAS-200 |
|
SM-PDO 380 |
165(16836) |
1600 |
95 |
YAS-200 |
|
SM-PDO 200 |
80(8163) |
3600 |
21 |
YAS-125 |
|
|
|
 |
|
Item
Model
|
A |
C |
d |
E |
F |
G |
H |
J |
K |
L |
M |
N |
|
SM-PDO 250 |
250 |
171 |
8 |
128 |
87 |
30 |
50 |
21 |
115 |
115 |
3-M12 |
117 |
|
SM-PDO 300 |
125 |
63.5 |
8 |
|
|
|
|
|
|
|
|
|
|
SM-PDO 380 |
380 |
235 |
8 |
193 |
130 |
54 |
80 |
28 |
135 |
135 |
3-M20 |
137 |
|
SM-PDO 200 |
200 |
133 |
6 |
103 |
70 |
24 |
42 |
17 |
105 |
105 |
3-M12 |
107 |
|
|
Item
Model
|
O |
P |
R Max |
R Min |
T |
W |
a |
Bro |
b |
c |
D MAX |
D MIN |
|
|
SM-PDO 250 |
19 |
54 |
34 |
4 |
M20 |
5.3 |
14 |
220 |
30 |
M10 |
87 |
81.7 |
|
SM-PDO 300 |
|
|
39 |
5 |
M24 |
6 |
14 |
19 |
40 |
M10 |
|
|
|
SM-PDO 380 |
19 |
76.2 |
50 |
16 |
M24 |
6 |
18 |
235 |
54 |
M12 |
133.5 |
127.5 |
|
SM-PDO 200 |
12.7 |
44.5 |
34 |
10 |
M12 |
4.2 |
2 |
170 |
24 |
M8 |
71.5 |
67.3 |
|