韩国瑞岩三爪卡盘型号:SM-IDD 06/SM-IDD 08/SM-IDD 10/SM-IDD 12
 |
|
|
 |
|
|
 |
|
Spec
Model
|
Jaw stroke(Diameter) mm |
Plunger stroke mm |
Gripping Max |
Gripping Min |
Max. permissible input force KN(kgf) |
|
SM-IDD 06 |
5.8 |
8 |
140 |
40 |
14.7(1500) |
|
SM-IDD 08 |
7.2 |
10 |
180 |
48 |
24.5(2500) |
|
SM-IDD 10 |
10.8 |
15 |
220 |
65 |
34.3(3500) |
|
SM-IDD 12 |
10.8 |
15 |
270 |
80 |
44.1(4500) |
|
|
Spec
Model
|
Max. static gripping force KN(kgf) |
Max. Permissible speed r.p.m |
weight(With standard soft jaws) |
Gd moment of inertia |
matching cylinder |
|
|
SM-IDD 06 |
24.7(2520) |
5000 |
13 |
0.44(0.045) |
YAS-80 |
|
SM-IDD 08 |
44.1(4500) |
4500 |
26 |
1.67(0.17) |
YAS-100 |
|
SM-IDD 10 |
58.8(6000) |
4000 |
43.5 |
3.72(0.380 |
YAS-125 |
|
SM-IDD 12 |
73.5(7500) |
3500 |
68 |
7.15(0.73) |
YAS-150 |
|
|
|
 |
|
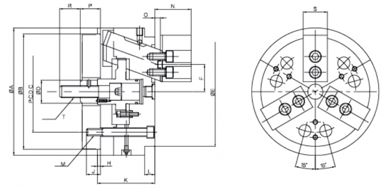
Item
Model
|
A |
C |
D |
E |
H |
J |
K |
L |
M |
N Max |
N Min |
|
SM-IDD 06 |
165 |
104.8 |
32 |
140 |
5 |
16 |
80 |
15 |
6-M10 |
42 |
34 |
|
SM-IDD 08 |
210 |
133.4 |
38 |
180 |
5 |
18 |
95 |
17 |
6-M12 |
55 |
45 |
|
SM-IDD 10 |
254 |
171.4 |
50 |
220 |
5 |
22 |
110 |
20 |
6-M16 |
65 |
50 |
|
SM-IDD 12 |
304 |
171.4 |
52 |
250 |
5 |
27 |
125 |
25 |
6-M16 |
70 |
55 |
|
|
Item
Model
|
O Max |
O Min |
P Max |
P Min |
R |
S |
T |
Bro |
F MAX |
F MIN |
|
|
SM-IDD 06 |
12 |
4 |
31 |
23 |
36 |
35 |
M16 |
140 |
37.9 |
35 |
|
SM-IDD 08 |
14 |
4 |
38 |
28 |
36 |
40 |
M20 |
190 |
46.6 |
43 |
|
SM-IDD 10 |
19 |
4 |
47 |
32 |
46 |
50 |
M24 |
230 |
57.9 |
52.5 |
|
SM-IDD 12 |
19 |
4 |
47 |
32 |
50 |
60 |
M27 |
230 |
65.4 |
60 |
|