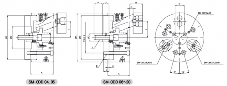
韩国瑞岩三爪卡盘型号:SM-ODD 04/SM-ODD 05/SM-ODD 16/SM-ODD 08/SM-ODD 10/SM-ODD 12
 |
|
|
 |
|
|
 |
|
Spec
Model
|
Jaw stroke(Diameter) mm |
Plunger stroke mm |
Gripping Max |
Gripping Min |
Max. permissible input force KN(kgf) |
|
SM-ODD 04 |
5 |
7 |
50 |
15 |
5.9(600) |
|
SM-ODD 05 |
5 |
7 |
65 |
15 |
9.8(1000) |
|
SM-ODD 16 |
7.2 |
10 |
85 |
35 |
14.7(1500) |
|
SM-ODD 08 |
7.2 |
10 |
200 |
40 |
24.5(2500) |
|
SM-ODD 10 |
10.8 |
15 |
250 |
50 |
34.3(3500) |
|
SM-ODD 12 |
10.8 |
15 |
300 |
50 |
44.1(4500) |
|
|
Spec
Model
|
Max. static gripping force KN(kgf) |
Max. Permissible speed r.p.m |
weight(With standard soft jaws) |
Gd moment of inertia |
|
|
SM-ODD 04 |
10.3(1050) |
3500 |
4.5 |
YAS-80 |
|
SM-ODD 05 |
16.8(1710) |
3500 |
7.3 |
0.69(0.07) |
|
SM-ODD 16 |
24.7(2520) |
3500 |
13.8 |
1.76(0.18) |
|
SM-ODD 08 |
44.1(4500) |
3000 |
27 |
6.47(0.66) |
|
SM-ODD 10 |
58.8(6000) |
2500 |
45.8 |
14.7(1.5) |
|
SM-ODD 12 |
73.5(7500) |
2000 |
68 |
31.36(3.2) |
|
|
|
 |
|
Item
Model
|
A |
C |
D |
E |
H |
J |
K |
L |
N Max |
N Min |
|
SM-ODD 04 |
110 |
80 |
25 |
98 |
5 |
14 |
60 |
M10 |
10.5 |
3.5 |
|
SM-ODD 05 |
110 |
100 |
28 |
118 |
5 |
14 |
70 |
M12 |
10.5 |
3.5 |
|
SM-ODD 16 |
165 |
104.8 |
32 |
- |
5 |
16 |
85 |
M16 |
14 |
4 |
|
SM-ODD 08 |
210 |
133.4 |
38 |
- |
5 |
18 |
95 |
M20 |
14 |
4 |
|
SM-ODD 10 |
254 |
171.4 |
50 |
- |
5 |
22 |
110 |
M24 |
19 |
4 |
|
SM-ODD 12 |
304 |
171.4 |
52 |
- |
5 |
27 |
125 |
M27 |
19 |
4 |
|
|
Item
Model
|
O Max |
O Min |
P |
R |
S |
Bro |
F MAX |
F MIN |
M MAX |
M MIN |
|
|
SM-ODD 04 |
19 |
12 |
20 |
25 |
3-M8 |
60 |
37 |
34.5 |
30 |
23 |
|
SM-ODD 05 |
19 |
12 |
25 |
30 |
3-M8 |
80 |
44 |
41.5 |
35 |
28 |
|
SM-ODD 16 |
33 |
23 |
36 |
35 |
6-M10 |
140 |
58 |
54.4 |
45 |
35 |
|
SM-ODD 08 |
38 |
28 |
36 |
40 |
6-M12 |
190 |
71 |
67.4 |
55 |
45 |
|
SM-ODD 10 |
47 |
32 |
46 |
50 |
6-M16 |
230 |
85 |
79.6 |
65 |
50 |
|
SM-ODD 12 |
47 |
32 |
50 |
60 |
6-M16 |
230 |
102 |
96.6 |
70 |
55 |
|