韩国瑞岩两爪卡盘型号:CASTL-05/CASTL-06/CASTL-08/CASTL-10/CASTL-12
 |
|
|
 |
|
|
 |
|
Spec
Model
|
Jaw stroke(Diameter) mm |
Plunger stroke mm |
Gripping Max |
Gripping Min |
Max. permissible input force KN(kgf) |
|
CASTL-05 |
9.4 |
13 |
130 |
8 |
8.8(900) |
|
CASTL-06 |
13 |
18 |
16.5 |
20 |
14.7(1500) |
|
CASTL-08 |
16 |
22 |
210 |
22 |
29.4(3000) |
|
CASTL-10 |
18 |
25 |
254 |
25 |
34.3(3500) |
|
CASTL-12 |
20 |
28 |
304 |
28 |
44.1(4500) |
|
|
Spec
Model
|
Max. static gripping force KN(kgf) |
Max. Permissible speed r.p.m |
weight(With standard soft jaws) |
Gd moment of inertia |
matching cylinder |
|
|
CASTL-05 |
14.7(1500) |
3500 |
4.6 |
0.1(0.01) |
YAS-80 |
|
CASTL-06 |
32.4(3300) |
4000 |
11 |
0.34(0.035) |
YAS-100 |
|
CASTL-08 |
64.7(6600) |
4000 |
21 |
1.18(0.12) |
YAS-125 |
|
CASTL-10 |
73.5(7500) |
3000 |
33 |
2.65(0.27) |
YAS-150 |
|
CASTL-12 |
97.1(9900) |
2500 |
55 |
6.27(0.64) |
YAS-150 |
|
|
|
 |
|
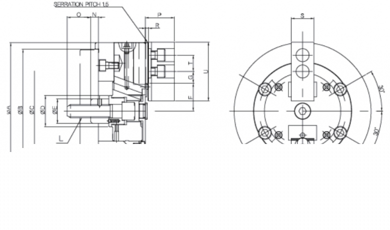
Item
Model
|
A |
C |
D |
E |
H |
J |
K |
L |
M |
N Max |
N Min |
O |
|
CASTL-05 |
130 |
82.6 |
- |
28 |
50 |
5 |
16 |
M12 |
3-M10 |
14 |
1 |
36 |
|
CASTL-06 |
165 |
104.8 |
38 |
32 |
63 |
5 |
17 |
M16 |
6-M10 |
29 |
11 |
36 |
|
CASTL-08 |
210 |
133.4 |
48 |
38 |
77 |
5 |
21 |
M20 |
6-M12 |
34 |
12 |
36 |
|
CASTL-10 |
254 |
133.4 |
58 |
50 |
85 |
5 |
23 |
M24 |
6-M12 |
44 |
19 |
46 |
|
CASTL-12 |
304 |
171.4 |
65 |
52 |
97 |
5 |
25 |
M27 |
6-M16 |
50 |
22 |
50 |
|
|
Item
Model
|
P |
R |
S |
T |
|
W |
Bro |
F MAX |
F MIN |
G MAX |
G MIN |
|
|
CASTL-05 |
29 |
5 |
25 |
19 |
58 |
10 |
115 |
32.8 |
28.1 |
13.5 |
4.5 |
|
CASTL-06 |
34 |
5 |
30 |
20 |
72 |
12 |
140 |
38.8 |
32.3 |
18 |
7.5 |
|
CASTL-08 |
44 |
5 |
35 |
25 |
95 |
14 |
190 |
42.8 |
34.8 |
30 |
13.5 |
|
CASTL-10 |
54 |
5 |
40 |
30 |
110 |
16 |
230 |
48.8 |
39.8 |
40.5 |
15 |
|
CASTL-12 |
63 |
5 |
50 |
30 |
111 |
18 |
280 |
57.5 |
47.5 |
45 |
15 |
|