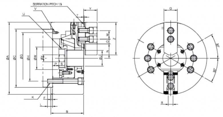
韩国瑞岩两爪卡盘型号:CAHTL-08/CAHTL-10/CAHTL-12
 |
|
|
 |
|
|
 |
|
Spec
Model
|
Thru-hole(Diameter) mm |
Jaw stroke(Diameter) mm |
Plunger stroke mm |
Gripping Max |
Gripping Min |
Max. permissible input force KN(kgf) |
|
CAHTL-08 |
46 |
14.5 |
20 |
210 |
13 |
40(4080) |
|
CAHTL-10 |
52 |
18 |
25 |
254 |
21 |
50(5100) |
|
CAHTL-12 |
77 |
21.8 |
30 |
304 |
31 |
58(5916) |
|
|
Spec
Model
|
Max. static gripping force KN(kgf) |
Max. Permissible speed r.p.m |
weight(With standard soft jaws) |
Gd moment of inertia |
matching cylinder |
|
|
CAHTL-08 |
74(7500) |
3000 |
23 |
6.90(0.71) |
YAH-08 |
|
CAHTL-10 |
93(9500) |
2500 |
39.2 |
14.85(1.52) |
YAH-10 |
|
CAHTL-12 |
108(11000) |
1900 |
62.8 |
30.00(3.06) |
YAH-12 |
|
|
|
 |
|
Item
Model
|
A |
B |
F |
G |
H |
J |
K |
L |
M |
N Max |
N Min |
O Max |
O Min |
|
CAHTL-08 |
210 |
95 |
5 |
150 |
133.4 |
46 |
6-M12 |
15 |
25 |
41.7 |
34.5 |
27 |
10 |
|
CAHTL-10 |
254 |
110 |
5 |
190 |
171.4 |
52 |
6-M16 |
17 |
30 |
54.5 |
45.5 |
31 |
12 |
|
CAHTL-12 |
304 |
127 |
6 |
90 |
171.4 |
77 |
6-M16 |
18 |
30 |
67.4 |
56.5 |
42 |
12 |
|
|
Item
Model
|
P Max |
P Min |
Q |
R |
S |
T |
U Max |
V |
W |
X |
Y |
Z |
Cro |
|
|
CAHTL-08 |
18.5 |
-1.5 |
39 |
14 |
20.5 |
2 |
M55X2 |
4-M6 |
60 |
20 |
39 |
95 |
170 |
|
CAHTL-10 |
14.5 |
-10.5 |
44 |
16 |
27 |
2 |
M60X2 |
4-M8 |
66 |
30 |
46 |
110 |
220 |
|
CAHTL-12 |
16 |
-14 |
50 |
21 |
28 |
2 |
M85X2 |
4-M8 |
94 |
30 |
51.8 |
111 |
220 |
|