韩国瑞岩四爪卡盘型号:CASF-08/CASF-10/CASF-12
 |
|
|
 |
|
|
 |
|
Spec
Model
|
Jaw stroke(Diameter) mm |
Plunger stroke mm |
Gripping Max |
Gripping Min |
Max. permissible input force KN(kgf) |
|
CASF-08 |
8.8 |
21 |
210 |
23 |
28(2856) |
|
CASF-10 |
8.8 |
25 |
254 |
24 |
32.5(3315) |
|
CASF-12 |
10.5 |
30 |
304 |
26 |
41.5(4233) |
|
|
Spec
Model
|
Max. static gripping force KN(kgf) |
Max. Permissible speed r.p.m |
weight(With standard soft jaws) |
Gd moment of inertia |
matching cylinder |
|
|
CASF-08 |
80(8160) |
4800 |
26 |
5.39(0.55) |
YAS-125 |
|
CASF-10 |
115(11730) |
4100 |
37.7 |
11.17(1.20) |
TAS-125 |
|
CASF-12 |
156(16014) |
3400 |
59.4 |
28.44(2.90) |
YAS-150 |
|
|
|
 |
|
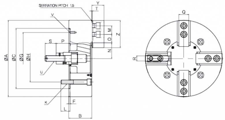
Item
Model
|
A |
B |
F |
G |
H |
K |
L |
M |
N Max |
N Min |
O Max |
O Min |
|
CASF-08 |
210 |
85 |
5 |
150 |
133.4 |
4-M12 |
15 |
25 |
46.5 |
41.9 |
22.5 |
9 |
|
CASF-10 |
254 |
89 |
5 |
190 |
171.4 |
4-M16 |
18 |
30 |
51.1 |
46.7 |
30.7 |
11.2 |
|
CASF-12 |
304 |
106 |
6 |
190 |
171.4 |
4-M16 |
18 |
30 |
61 |
55.7 |
48.7 |
12.7 |
|
|
Item
Model
|
P Max |
P Min |
Q |
R |
S |
T |
U Max |
V |
Y |
Z |
Cro |
|
|
CASF-08 |
127 |
106 |
39 |
14 |
36 |
5 |
M20 |
4-M6 |
43 |
95 |
170 |
|
CASF-10 |
158 |
133 |
44 |
16 |
36 |
5 |
M20 |
4-M8 |
50 |
110 |
220 |
|
CASF-12 |
163 |
133 |
50 |
18 |
36 |
5 |
M20 |
4-M8 |
54 |
111 |
220 |
|