韩国瑞岩四爪卡盘型号:CAHF-08/CAHF-10/CAHF-12/CAHF-15/CAHF-18/CAHF-21/CAHF-24
 |
|
|
 |
|
|
 |
|
Spec
Model
|
Thru-hole(Diameter) mm |
Jaw stroke(Diameter) mm |
Plunger stroke mm |
Gripping Max |
Gripping Min |
Max. permissible input force KN(kgf) |
|
CAHF-08 |
52 |
7.6 |
18 |
210 |
11 |
40(4080) |
|
CAHF-10 |
77 |
8.5 |
20 |
254 |
31 |
50(5100) |
|
CAHF-12 |
91 |
10.2 |
24 |
304 |
34 |
58(5916) |
|
CAHF-15 |
118 |
10.6 |
23 |
381 |
30 |
71(7240) |
|
CAHF-18 |
118 |
10.3 |
23 |
450 |
30 |
71(7240) |
|
CAHF-21 |
140 |
10.3 |
23 |
530 |
87 |
90(9177) |
|
CAHF-24 |
165 |
10.4 |
23 |
610 |
110 |
90(9177) |
|
|
Spec
Model
|
Max. static gripping force KN(kgf) |
Max. Permissible speed r.p.m |
weight(With standard soft jaws) |
Gd moment of inertia |
matching cylinder |
|
|
CAHF-08 |
94(9597) |
5000 |
23.6 |
6.90(0.71) |
YAH-08 |
|
CAHF-10 |
125(12740) |
4200 |
40 |
12.65(1.29) |
YAH-10 |
|
CAHF-12 |
147(15000) |
3300 |
64 |
30.00(3.06) |
YAH-12 |
|
CAHF-15 |
180(18355) |
2500 |
127 |
93.55(9.54) |
YAH-15 |
|
CAHF-18 |
180(18355) |
2000 |
178 |
187.30(19.1) |
YAH-15 |
|
CAHF-21 |
234(23861) |
1700 |
246 |
362.83(37.0) |
YAH-21 |
|
CAHF-24 |
234(23861) |
1400 |
304 |
660.94(66.4) |
YAH-21 |
|
|
|
 |
|
Item
Model
|
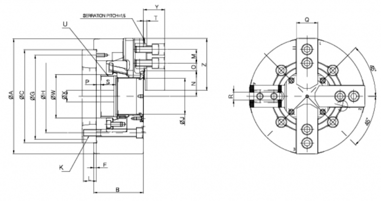
A |
B |
F |
G |
H |
J |
K |
L |
M |
N Max |
N Min |
O Max |
O Min |
|
CAHF-08 |
210 |
91 |
5 |
133.4 |
133.4 |
52 |
4-M12 |
18 |
25 |
41.7 |
37.9 |
27 |
10 |
|
CAHF-10 |
254 |
100 |
5 |
171.4 |
171.4 |
77 |
4-M16 |
24 |
30 |
54.5 |
50.3 |
31 |
12 |
|
CAHF-12 |
304 |
115 |
6 |
171.4 |
171.4 |
91 |
4-M16 |
25 |
30 |
67.4 |
62.3 |
42 |
12 |
|
CAHF-15 |
381 |
133 |
6 |
260 |
260 |
118 |
4-M20 |
28 |
43 |
82 |
76.7 |
43.8 |
18.3 |
|
CAHF-18 |
450 |
133 |
6 |
320 |
235 |
118 |
4-M20 |
28 |
43 |
82 |
76.3 |
73.8 |
18.3 |
|
CAHF-21 |
530 |
140 |
6 |
330.2 |
330.2 |
140 |
4-M22 |
34 |
60 |
98.5 |
93.2 |
87.5 |
21.5 |
|
CAHF-24 |
610 |
149 |
6 |
330.2 |
330.2 |
165 |
4-M22 |
35 |
60 |
108.4 |
103.2 |
117.5 |
21.5 |
|
|
Item
Model
|
P Max |
P Min |
Q |
R |
S |
T |
U Max |
V |
W |
X |
Y |
Z |
Cro |
|
|
CAHF-08 |
16.5 |
-1.5 |
|
14 |
20.5 |
2 |
M60X2 |
3-M6 |
66 |
30 |
39 |
95 |
170 |
|
CAHF-10 |
9.5 |
-10.5 |
|
16 |
27 |
2 |
M85X2 |
3-M8 |
94 |
30 |
46 |
110 |
220 |
|
CAHF-12 |
10 |
-14 |
|
21 |
28 |
2 |
M100X2 |
3-M8 |
108 |
30 |
51.8 |
111 |
220 |
|
CAHF-15 |
11 |
-12 |
62 |
22 |
39 |
5 |
M130X2 |
3-M10 |
139 |
60 |
70 |
165 |
300 |
|
CAHF-18 |
11 |
-12 |
62 |
22 |
39 |
5 |
M130X6 |
3-M10 |
139 |
60 |
70 |
165 |
380 |
|
CAHF-21 |
11 |
-12 |
65 |
25 |
39 |
5 |
M155X3 |
3-M12 |
166 |
80 |
73 |
180 |
380 |
|
CAHF-24 |
20 |
-3 |
65 |
25 |
40 |
5 |
M175X3 |
3-M12 |
187 |
80 |
73 |
180 |
380 |
|