韩国瑞岩型号:YMS-105-20/YMS-120-20/YMS-135-20/V/YMS-150-35
 |
|
|
 |
 |
|
|
|
|
 |
|
Spec
Model
|
Order NO. |
Max. Permissible speed r.p.m |
weight(With standard soft jaws) |
Gd moment of inertia |
Cylinder dia |
Piston stroke |
Piston surface area extend |
|
YMS-105-20 |
2MS10 |
6000 |
14 |
1.52(0.16) |
105 |
15 |
83.0 |
|
YMS-120-20 |
2MS12 |
5000 |
12 |
2.11(0.22) |
120 |
20 |
109.5 |
|
YMS-135-20 |
2MS13 |
5000 |
13.2 |
3.20(0.33) |
135 |
20 |
141.9 |
|
YMS-140-25 |
2MS14 |
5000 |
14.5 |
3.92(0.40) |
140 |
25 |
153.9 |
|
YMS-150-35 |
2MS15 |
4200 |
17.5 |
4.60(0.47) |
155 |
35 |
188.6 |
|
|
Spec
Model
|
Piston surface area retract |
Max draw bar pull extend |
Max draw bar pull retract |
Max operation pressure |
Total leakage |
Matching chuck |
|
|
YMS-105-20 |
76.4 |
31.2(3183) |
28.7(2930) |
40.8 |
1.0 |
CAS-06 |
|
YMS-120-20 |
102.9 |
41.2(4200) |
38.7(3946) |
40.8 |
1.0 |
CAS-08 |
|
YMS-135-20 |
132.9 |
53.4(5442) |
50.0(5097) |
40.8 |
1.0 |
CAS-08,CAS-10 |
|
YMS-140-25 |
143.7 |
57.9(5902) |
54.1(5511) |
40.8 |
1.0 |
CAS-10,CAS-12 |
|
YMS-150-35 |
176.1 |
70.9(7233) |
66.3(6754) |
40.8 |
1.0 |
CAS-12 |
|
|
|
 |
|
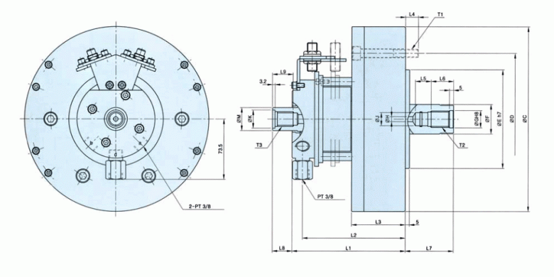
Item
Model
|
C |
D |
E |
F |
G |
H |
J |
K |
L1 |
L2 |
L3 |
|
YMS-105-20 |
180 |
128 |
85 |
36 |
21 |
6 |
16 |
22 |
130 |
117.5 |
57 |
|
YMS-120-20 |
192 |
150 |
120 |
36 |
21 |
6 |
16 |
22 |
139 |
126.5 |
65 |
|
YMS-135-20 |
225 |
160 |
120 |
36 |
21 |
6 |
16 |
22 |
139 |
126.5 |
65 |
|
YMS-140-25 |
225 |
160 |
120 |
36 |
21 |
6 |
16 |
22 |
144 |
131.5 |
70 |
|
YMS-150-35 |
250 |
175 |
120 |
40 |
21 |
6 |
20 |
22 |
164 |
151.5 |
90 |
|
|
Item
Model
|
L4 |
L5 |
L6 |
L7 Max |
L7 Min |
L8 |
L9 |
M |
T1 |
T2 |
T3 |
|
|
YMS-105-20 |
13.5 |
18 |
28 |
53 |
38 |
23 |
25 |
28 |
6-M10 |
M20XP2.5 |
PF3/8 |
|
YMS-120-20 |
15.5 |
18 |
28 |
53 |
33 |
23 |
25 |
28 |
6-M10 |
M20XP2.5 |
PF3/8 |
|
YMS-135-20 |
15.5 |
17 |
30 |
58 |
38 |
23 |
25 |
28 |
6-M10 |
M20XP2.5 |
PF3/8 |
|
YMS-140-25 |
15.5 |
46 |
28 |
58 |
33 |
23 |
25 |
28 |
6-M10 |
M20XP2.5 |
PF3/8 |
|
YMS-150-35 |
22.5 |
46 |
28 |
63 |
28 |
23 |
25 |
28 |
6-M12 |
M24XP3.0 |
PF3/8 |
|