 |
|
|
|
|
 |
|
Spec
Model
|
Order NO. |
Max. Permissible speed r.p.m |
weight(With standard soft jaws) |
Gd moment of inertia |
Cylinder dia |
Piston stroke |
Piston surface area extend |
|
YASTL-200 |
2ASTL20 |
5500 |
24 |
0.42(0.05) |
200 |
50 |
330 |
|
|
Spec
Model
|
Piston surface area retract |
Max draw bar pull extend |
Max draw bar pull retract |
Max operation pressure |
Total leakage |
Matching chuck |
|
|
YASTL-200 |
306 |
121.6(12404) |
112.8(11505) |
40.8 |
1.0 |
CAS-15,18,21,24,32 |
|
|
|
 |
|
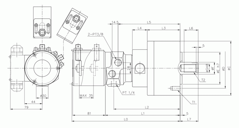
Item
Model
|
C |
D |
E |
F |
G |
L0 |
L1 |
L2 |
|
YASTL-200 |
245 |
145 |
120 |
55 |
37 |
336.5 |
238.5 |
220 |
|
|
Item
Model
|
L3 |
L4 |
L5 |
L6 |
L7 Max |
L7 Min |
T1 |
T2 |
|
|
YASTL-200 |
137 |
37 |
209.5 |
60 |
80 |
30 |
6-M16 |
M36XP4.0 |
|