韩国瑞岩型号:YASC-100/YASC-125/YASC-150/YASC-200
 |
|
|
 |
 |
|
|
|
|
 |
|
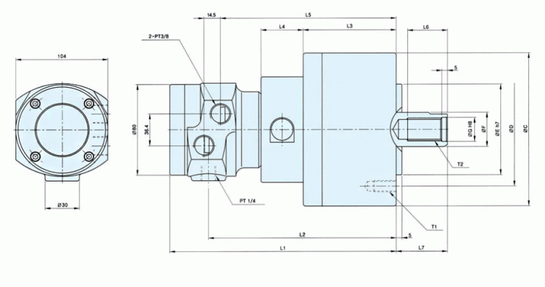
Spec
Model
|
Order NO. |
Max. Permissible speed r.p.m |
weight(With standard soft jaws) |
Gd moment of inertia |
Cylinder dia |
Piston stroke |
Piston surface area extend |
|
YASC-100 |
2ASC10 |
6000 |
7.0 |
0.49(0.05) |
105 |
20 |
86.5 |
|
YASC-125 |
2ASC12 |
6000 |
9.8 |
0.88(0.09) |
130 |
25 |
132.5 |
|
YASC-150 |
2ASC15 |
5500 |
13.3 |
1.47(0.15) |
150 |
30 |
176.0 |
|
YASC-200 |
2ASC20 |
5500 |
21.7 |
3.62(0.37) |
205 |
35 |
330.0 |
|
|
Spec
Model
|
Piston surface area retract |
Max draw bar pull extend |
Max draw bar pull retract |
Max operation pressure |
Total leakage |
Matching chuck |
|
|
YASC-100 |
79.5 |
31.8(3244) |
29.3(2989) |
40.8 |
1.0 |
CAS-06 |
|
YASC-125 |
123.0 |
48.8(4978) |
45.3(4621) |
40.8 |
1.0 |
CAS-08, CAS-10 |
|
YASC-150 |
160.0 |
64.8(6610) |
60.0(6120) |
40.8 |
1.0 |
CAS-10, CAS-12 |
|
YASC-200 |
306.0 |
121.6(12404) |
112.8(11505) |
40.8 |
1.0 |
CAS-15,18,21,24,32 |
|
|
|
 |
|
Item
Model
|
C |
D |
E |
F |
G |
L1 |
L2 |
L3 |
|
YASC-100 |
135 |
100 |
80 |
30 |
21 |
198.5 |
164.5 |
81.5 |
|
YASC-125 |
160 |
130 |
110 |
35 |
25 |
208.5 |
174.5 |
91.5 |
|
YASC-150 |
185 |
130 |
110 |
45 |
30.5 |
215.5 |
181.5 |
98.5 |
|
YASC-200 |
245 |
145 |
120 |
55 |
37 |
239 |
205 |
122 |
|
|
Item
Model
|
L4 |
L5 |
L6 |
L7 Max |
L7 Min |
T1 |
T2 |
|
|
YASC-100 |
37 |
154 |
35 |
45 |
25 |
6-M10X19 |
M20XP2.5 |
|
YASC-125 |
37 |
164 |
40 |
50 |
25 |
6-M12X22 |
M24XP3.0 |
|
YASC-150 |
37 |
171 |
45 |
55 |
25 |
6-M12X20 |
M30XP3.5 |
|
YASC-200 |
37 |
194.5 |
60 |
69 |
34 |
6-M16X29 |
M36XP4.0 |
|