韩国瑞岩型号:YSGH-08/YSGH-06/YSGH-12
 |
|
|
 |
 |
|
|
|
|
 |
|
Spec
Model
|
Order NO. |
Max. Permissible speed r.p.m |
weight(With standard soft jaws) |
Gd moment of inertia |
Cylinder dia |
Piston stroke |
Thru hole dia |
|
YSGH-08 |
2SGH08 |
5600 |
16.5 |
0.63(0.065) |
170 |
25 |
68 |
|
YSGH-06 |
2SGH06 |
6500 |
13.0 |
0.31(0.20) |
145 |
25 |
52 |
|
YSGH-12 |
2SGH12 |
3500 |
36 |
18.0(1.84) |
215 |
35 |
103 |
|
|
Spec
Model
|
Piston surface area extend |
Piston surface area retract |
Max draw bar pull extend |
Max draw bar pull retract |
Max operation pressure |
Total leakage |
Matching chuck |
|
|
YSGH-08 |
179.6 |
166.2 |
66.8(6814) |
61.8(6306) |
40.8 |
4.2 |
CGH-08 |
|
YSGH-06 |
131.6 |
122.6 |
33.1(3377) |
30.8(3147) |
40.8 |
3.9 |
CGH-06 |
|
YSGH-12 |
262.3 |
245.9 |
85.0(8667.2) |
72.1(7357) |
40.8 |
6 |
CGH-12 |
|
|
|
 |
|
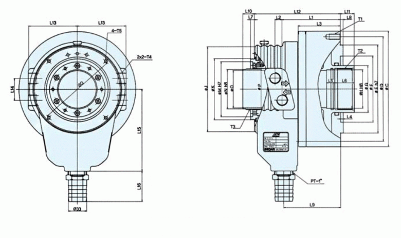
Item
Model
|
C |
D |
E |
F |
G |
H |
J |
K |
L1 |
L2 |
L3 |
L4 |
L5 |
L6 |
L7 |
L8 |
L9 |
L10 Max |
|
YSGH-08 |
210 |
190 |
160 |
120 |
85 |
70 |
154 |
111 |
105.2 |
12.7 |
76 |
5 |
15 |
35 |
7 |
5 |
102.5 |
46 |
|
YSGH-06 |
180 |
165 |
140 |
89 |
70 |
55 |
135 |
96 |
99 |
9 |
75.5 |
5.5 |
10 |
20 |
12.1 |
8 |
101.5 |
58 |
|
YSGH-12 |
263 |
225 |
200 |
145 |
120 |
106 |
202 |
148 |
148 |
14 |
108.5 |
5.5 |
15 |
30 |
7 |
5 |
155 |
55 |
|
|
Item
Model
|
L10 Min |
L11 Max |
L12 |
L13 |
L14 |
L15 |
L16 |
M |
N |
O |
P |
Q |
T1 |
T2 |
T3 |
T4 |
T5 |
|
|
YSGH-08 |
21 |
25 |
155 |
88 |
40 |
149 |
55 |
100 |
71.5 |
68 |
75 |
145 |
6-M10X18 |
M75XP2.0 |
M74XP1.5 |
PT-1/2 |
4-M5X10 |
|
YSGH-06 |
33 |
22 |
138.6 |
79 |
40 |
130 |
55 |
85 |
59.5 |
52 |
60 |
110 |
6-M10X17 |
M60XP1.5 |
M60XP1.5 |
PT-1/2 |
4-M6X6 |
|
YSGH-12 |
20 |
35 |
211 |
126 |
40 |
195 |
55 |
135 |
108 |
103 |
112 |
190 |
12-M12X20 |
M111XP2.0 |
M111XP2.0 |
PT-1/2 |
4-M6X15 |
|