 |
|
|
 |
 |
|
|
|
|
 |
|
Spec
Model
|
Order NO. |
Max. Permissible speed r.p.m |
weight(With standard soft jaws) |
Gd moment of inertia |
Cylinder dia |
Piston stroke |
Thru hole dia |
|
YGHL-10 |
2GHL10 |
4500 |
29.2 |
4.80(0.49) |
185 |
40 |
82 |
|
|
Spec
Model
|
Piston surface area extend |
Piston surface area retract |
Max draw bar pull extend |
Max draw bar pull retract |
Max operation pressure |
Total leakage |
Matching chuck |
|
|
YGHL-10 |
205.1 |
190.2 |
77.2(7866) |
71.6(7295) |
40.8 |
4.5 |
CGH-10 |
|
|
|
 |
|
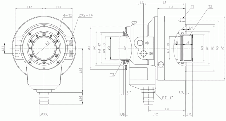
Item
Model
|
C |
D |
E |
F |
G |
H |
J |
K |
L1 |
L2 |
L3 |
L4 |
L5 |
L6 |
L7 |
L8 |
L9 |
L10 Max |
|
YGHL-10 |
223 |
190 |
160 |
125 |
100 |
86 |
167 |
121.2 |
164.5 |
14 |
110.5 |
5.5 |
15 |
35 |
6 |
5 |
143.5 |
59 |
|
|
Item
Model
|
L10 Min |
L11 Max |
L12 |
L13 |
L14 |
L15 |
L16 |
M |
N |
O |
P |
Q |
T1 |
T2 |
T3 |
T4 |
T5 |
|
|
YGHL-10 |
19 |
40 |
229 |
107 |
36 |
166 |
40 |
112 |
87 |
82 |
90 |
154 |
12-M10X18 |
M90XP2.0 |
M89XP2.0 |
PT-1/2 |
M6X10 |
|