 |
|
|
 |
|
|
|
|
 |
|
Spec
Model
|
Order NO. |
Max. Permissible speed r.p.m |
weight(With standard soft jaws) |
Gd moment of inertia |
Cylinder dia |
Piston stroke |
Thru hole dia |
|
YSHL-15 |
2SHL15 |
3000 |
52 |
18.6(1.9) |
250 |
50 |
117.5 |
|
YSHL-21 |
2SHL21 |
2000 |
77 |
29.4(3.0) |
280 |
51 |
166.5 |
|
|
Spec
Model
|
Piston surface area extend |
Piston surface area retract |
Max draw bar pull extend |
Max draw bar pull retract |
Max operation pressure |
Total leakage |
Matching chuck |
|
|
YSHL-15 |
364.4 |
331.8 |
129.8(13233.4) |
118.2(12050) |
40.8 |
7 |
CAH-15,18,21,24 |
|
YSHL-21 |
372.1 |
327.1 |
111.5(11376) |
98(10002) |
33.6 |
8.4 |
CAH-21,24 |
|
|
|
 |
|
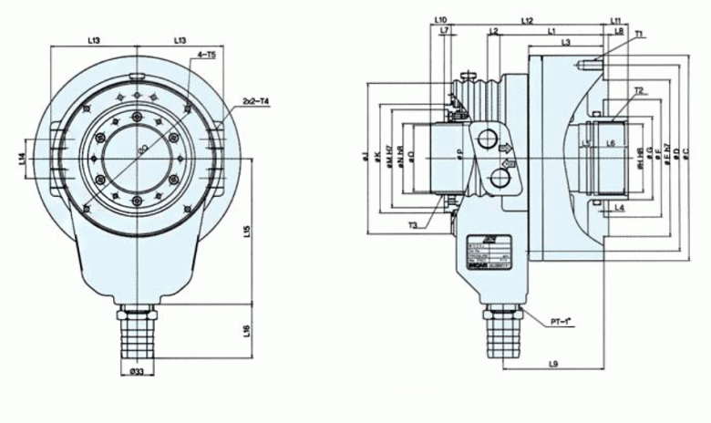
Item
Model
|
C |
D |
E |
F |
G |
H |
J |
K |
L1 |
L2 |
L3 |
L4 |
L5 |
L6 |
L7 |
L8 |
L9 |
L10 Max |
|
YSHL-15 |
307 |
275 |
230 |
170 |
140 |
123 |
216 |
167 |
168.5 |
18.5 |
130 |
6 |
20 |
45 |
10 |
6 |
190 |
73.3 |
|
YSHL-21 |
354 |
290 |
260 |
240 |
190 |
170 |
278 |
217 |
182.5 |
18.5 |
137 |
7 |
20 |
45 |
10 |
5 |
200 |
76.3 |
|
|
Item
Model
|
L10 Min |
L11 Max |
L11 Min |
L12 |
L13 |
L14 |
L15 |
L16 |
M |
N |
O |
P |
Q |
T1 |
T2 |
T3 |
T4 |
T5 |
|
|
YSHL-15 |
23.3 |
46 |
-4 |
241 |
140 |
40 |
215 |
55 |
152 |
122 |
117.5 |
125 |
198 |
12-M16X32 |
M130XP2.0 |
M124XP2.0 |
PT-1/2 |
4-M6X10 |
|
YSHL-21 |
25.3 |
51 |
0 |
259.5 |
172.6 |
40 |
250 |
55 |
205 |
170.5 |
166.5 |
175 |
256 |
12-M16X32 |
M180XP3.0 |
M173XP2.0 |
PT-1/2 |
4-M6X10 |
|