韩国瑞岩型号:YAHL-08/YAHL-10/YAHL-12/YAHL-15
 |
|
|
 |
 |
|
|
|
|
 |
|
Spec
Model
|
Order NO. |
Max. Permissible speed r.p.m |
weight(With standard soft jaws) |
Gd moment of inertia |
Cylinder dia |
Piston stroke |
Thru hole dia |
|
YAHL-08 |
2AHL08 |
6200 |
17.5 |
1.96(0.20) |
160 |
34 |
52 |
|
YAHL-10 |
2AHL10 |
5000 |
26.0 |
3.43(0.35) |
185 |
40 |
77 |
|
YAHL-12 |
2AHL12 |
3800 |
34.0 |
5.88(0.60) |
205 |
50 |
91 |
|
YAHL-15 |
2AHL15 |
2800 |
55.0 |
14.7(1.5) |
255 |
50 |
117.5 |
|
|
Spec
Model
|
Piston surface area extend |
Piston surface area retract |
Max draw bar pull extend |
Max draw bar pull retract |
Max operation pressure |
Total leakage |
Matching chuck |
|
|
YAHL-08 |
172.8 |
162.6 |
65.0(6627) |
61.2(6236) |
40.8 |
6.5 |
CAH-08 |
|
YAHL-10 |
213.3 |
197.9 |
80.2(8180) |
74.5(7590) |
40.8 |
4.2 |
CAH-10 |
|
YAHL-12 |
251.5 |
235.0 |
94.6(9646) |
88.4(9013) |
40.8 |
4.5 |
CAH-12 |
|
YAHL-15 |
367.5 |
356.7 |
129.6(13230) |
125.8(12841) |
40.8 |
7.0 |
CAH-15,18,21,24 |
|
|
|
 |
|
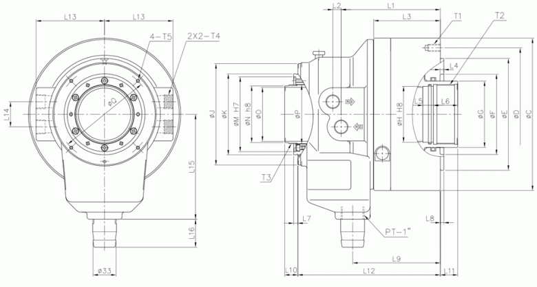
Item
Model
|
C |
D |
E |
F |
G |
H |
J |
K |
L1 |
L2 |
L3 |
L4 |
L5 |
L6 |
L7 |
L8 |
L9 |
L10 Max |
|
YAHL-08 |
195 |
170 |
130 |
90 |
70 |
55 |
120 |
91.2 |
148 |
12 |
103.5 |
5.5 |
15 |
35 |
6 |
5 |
137.5 |
53 |
|
YAHL-10 |
218 |
190 |
160 |
120 |
95 |
80 |
145 |
116.2 |
161 |
12 |
110.5 |
5.5 |
15 |
35 |
6 |
5 |
144.5 |
59 |
|
YAHL-12 |
247 |
215 |
180 |
135 |
110 |
95 |
167 |
131.2 |
182.5 |
14 |
128.5 |
5.5 |
15 |
35 |
6 |
5 |
161.5 |
69 |
|
YAHL-15 |
307 |
275 |
230 |
170 |
140 |
123 |
212 |
167 |
192 |
20 |
126 |
6 |
20 |
45 |
9.5 |
6 |
200.75 |
60.5 |
|
|
Item
Model
|
L10 Min |
L11 Max |
L11 Min |
L12 |
L13 |
L14 |
L15 |
L16 |
M |
N |
O |
P |
T1 |
T2 |
T3 |
T4 |
T5 |
|
|
YAHL-08 |
19 |
25 |
-5 |
204 |
81 |
36 |
130 |
40 |
82 |
56 |
52 |
60 |
6-M10 X 18 |
M60XP2.0 |
M58XP1.5 |
PT-1/2 |
M5X10 |
|
YAHL-10 |
19 |
35 |
-5 |
223 |
95 |
36 |
150 |
40 |
107 |
81 |
77 |
85 |
12-M10 X 18 |
M85XP2.0 |
M84XP2.0 |
PT-1/2 |
M5X10 |
|
YAHL-12 |
19 |
45 |
-5 |
250 |
107 |
36 |
166 |
40 |
122 |
96 |
91 |
100 |
12-M12 X 22 |
M100XP2.0 |
M99XP2.0 |
PT-1/2 |
M5X10 |
|
YAHL-15 |
17.5 |
46 |
-4 |
279.5 |
134 |
20 |
215 |
40 |
160 |
134.6 |
117.5 |
135 |
12-M16 X 32 |
M130XP2.0 |
- |
PT-1/2 |
6-M6X10 |
|