韩国瑞岩型号:YAH-06/YAH-08/YAH-10/YAH-12/YAH-15/YAH-05
 |
|
|
 |
 |
|
|
|
|
 |
|
Spec
Model
|
Order NO. |
Max. Permissible speed r.p.m |
weight(With standard soft jaws) |
Gd moment of inertia |
Cylinder dia |
Piston stroke |
Thru hole dia |
|
YAH-06 |
2AH06 |
7000 |
12.0 |
0.74(0.075) |
130 |
15 |
46 |
|
YAH-08 |
2AH08 |
6200 |
15.5 |
1.96(0.20) |
160 |
20 |
52 |
|
YAH-10 |
2AH10 |
4700 |
23.0 |
3.43(0.35) |
185 |
25 |
77 |
|
YAH-12 |
2AH12 |
3800 |
31.0 |
5.69(0.58) |
205 |
30 |
91 |
|
YAH-15 |
2AH15 |
2800 |
52 |
14.7(1.5) |
255 |
23 |
117.5 |
|
YAH-05 |
21405 |
7000 |
6.7 |
(0.24)0.024 |
85 |
10 |
31 |
|
|
Spec
Model
|
Piston surface area extend |
Piston surface area retract |
Max draw bar pull extend |
Max draw bar pull retract |
Max operation pressure |
Total leakage |
Matching chuck |
|
|
YAH-06 |
110.6 |
99.5 |
41.6(4242) |
37.4(3816) |
40.8 |
3.0 |
CAH-06 |
|
YAH-08 |
172.8 |
162.6 |
65.0(6627) |
61.2(6236) |
40.8 |
3.5 |
CAH-08 |
|
YAH-10 |
213.3 |
197.9 |
80.2(8180) |
74.5(7590) |
40.8 |
4.2 |
CAH-10 |
|
YAH-12 |
251.5 |
235.0 |
94.6(9646) |
88.4(9013) |
40.8 |
4.5 |
CAH-12 |
|
YAH-15 |
367.5 |
356.7 |
129.6(13230) |
125.8(12841) |
40.8 |
7.0 |
CAH-15,18,21,24 |
|
YAH-05 |
43.2 |
39.8 |
13.9(1421) |
12.8(1309) |
35 |
1.6 |
CAD-05 |
|
|
|
 |
|
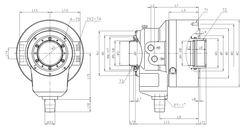
Item
Model
|
C |
D |
E |
F |
G |
H |
J |
K |
L1 |
L2 |
L3 |
L4 |
L5 |
L6 |
L7 |
L8 |
L9 |
L10 Max |
|
YAH-06 |
163 |
130 |
100 |
80 |
65 |
50 |
108 |
82.2 |
123.5 |
11 |
82.5 |
5.5 |
15 |
30 |
6 |
5 |
113.5 |
34 |
|
YAH-08 |
195 |
170 |
130 |
90 |
70 |
55 |
120 |
91.2 |
130 |
12 |
88.5 |
5.5 |
15 |
30 |
6 |
5 |
119.5 |
39 |
|
YAH-10 |
218 |
190 |
160 |
120 |
95 |
80 |
145 |
116.2 |
143 |
12 |
95.5 |
5.5 |
15 |
35 |
6 |
5 |
126.5 |
44 |
|
YAH-12 |
247 |
215 |
180 |
135 |
110 |
95 |
167 |
131.2 |
162.5 |
14 |
108.5 |
5.5 |
15 |
35 |
6 |
5 |
141.5 |
49 |
|
YAH-15 |
307 |
275 |
230 |
170 |
140 |
123 |
212 |
167 |
165 |
20 |
99 |
6 |
20 |
45 |
9.5 |
6 |
173.7 |
40.5 |
|
YAH-05 |
110 |
95 |
65 |
- |
45 |
35 |
90 |
55 |
77 |
14 |
16 |
- |
5 |
25 |
- |
5 |
84 |
22 |
|
|
Item
Model
|
L10 Min |
L11 Max |
L12 |
L13 |
L14 |
L15 |
L16 |
M |
N |
O |
P |
Q |
T1 |
T2 |
T3 |
T4 |
T5 |
|
|
YAH-06 |
19 |
15 |
178 |
75 |
36 |
120 |
40 |
74 |
50 |
46 |
53 |
98 |
6-M10X18 |
M55XP2.0 |
M52XP1.5 |
PT-1/2 |
M5X10 |
|
YAH-08 |
19 |
20 |
186 |
81 |
36 |
130 |
40 |
82 |
56 |
52 |
60 |
110 |
6-M10X18 |
M60XP2.0 |
M52XP1.5 |
PT-1/2 |
M5X10 |
|
YAH-10 |
19 |
25 |
205 |
95 |
36 |
150 |
40 |
107 |
81 |
77 |
85 |
135 |
12-M10X18 |
M85XP2.0 |
M84XP2.0 |
PT-1/2 |
M5X10 |
|
YAH-12 |
19 |
30 |
230 |
107 |
36 |
166 |
40 |
122 |
96 |
91 |
100 |
154 |
12-M12X22 |
M100XP2.0 |
M99XP2.0 |
PT-1/2 |
M5X10 |
|
YAH-15 |
17.5 |
24 |
252.5 |
134 |
20 |
215 |
40 |
160 |
134.6 |
117.5 |
135 |
198 |
12-M16X32 |
M130XP2.0 |
|
PT-1/2 |
6-M6X10 |
|
YAH-05 |
12 |
13 |
137 |
76 |
- |
100 |
50 |
65 |
40 |
31 |
- |
76 |
6-M6X14 |
M38XP1.5 |
- |
PT-1/4 |
M4X7 |
|