韩国瑞岩三爪卡盘型号:C11MB-04/C11MB-05/C11MB-06/C11MB-08/C11MB-10/C11MB-12
 |
|
|
 |
|
|
 |
|
Spec
Model
|
Order NO. |
Jaw stroke(Diameter) mm |
Plunger stroke mm |
Gripping Max |
Gripping Min |
Max. permissible input force KN(kgf) |
|
C11MB-04 |
11904 |
5 |
7 |
110 |
18 |
5.9(601.8) |
|
C11MB-05 |
11905 |
5 |
7 |
130 |
25 |
9.8(999.6) |
|
C11MB-06 |
11906 |
7.2 |
10 |
165 |
35 |
14.7(1499) |
|
C11MB-08 |
11908 |
10.8 |
10 |
210 |
40 |
24.5(2499) |
|
C11MB-10 |
11910 |
10.8 |
15 |
254 |
50 |
34.3(3499) |
|
C11MB-12 |
11912 |
10.8 |
15 |
304 |
50 |
44.1(4498) |
|
|
Spec
Model
|
Max. static gripping force KN(kgf) |
Max. Permissible speed r.p.m |
weight(With standard soft jaws) |
Gd moment of inertia |
matching cylinder |
|
|
C11MB-04 |
10.3(1051) |
7000 |
4.5 |
0.12(0.032) |
YAS,C,P,T-65 |
|
C11MB-05 |
16.8(1714) |
6000 |
7.3 |
0.704(0.072) |
YAS,C,P,T-80 |
|
C11MB-06 |
24.7(2519) |
6000 |
13.8 |
1.764(0.18) |
YAS,C,P,T-100 |
|
C11MB-08 |
44.1(4498) |
5000 |
27 |
6.64(0.68) |
YAS,C,P,T-125 |
|
C11MB-10 |
58.8(5998) |
4200 |
45.8 |
14.908(1.52) |
YAS,C,P,T-150 |
|
C11MB-12 |
73.5(7496) |
3300 |
68 |
31.388(3.20) |
YAS,C,P,T-150 |
|
|
|
 |
|
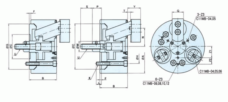
Item
Model
|
A |
B |
C |
F |
G |
H |
K |
L |
N Max |
N Min |
P Max |
P Min |
|
C11MB-04 |
110 |
60 |
60 |
5 |
98 |
80 |
3-M8 |
14 |
37 |
34.5 |
19 |
12 |
|
C11MB-05 |
130 |
70 |
80 |
5 |
118 |
100 |
3-M8 |
9 |
44 |
41.5 |
19 |
12 |
|
C11MB-06 |
165 |
85 |
140 |
5 |
- |
104.77 |
6-M10 |
11 |
58 |
54.4 |
33 |
23 |
|
C11MB-08 |
210 |
95 |
190 |
5 |
- |
133.35 |
3-M12 |
23 |
71 |
67.4 |
38 |
28 |
|
C11MB-10 |
254 |
110 |
230 |
5 |
- |
171.45 |
6-M12 |
22 |
85 |
79.6 |
47 |
32 |
|
C11MB-12 |
304 |
125 |
230 |
5 |
- |
171.45 |
6-M16 |
27 |
102 |
96.6 |
47 |
32 |
|
|
Item
Model
|
Q |
S |
|
|
|
W |
X |
|
|
|
|
|
|
|
C11MB-04 |
25 |
20 |
10.5 |
3.5 |
M10X1.5 |
25 |
25 |
30 |
23 |
25 |
- |
M6XDP11 |
|
C11MB-05 |
30 |
25 |
10.5 |
3.5 |
M12X1.75 |
28 |
30 |
35 |
28 |
30 |
- |
M6XDP11 |
|
C11MB-06 |
35 |
36 |
14 |
4 |
M16X2.0 |
32 |
35 |
45 |
35 |
35 |
20 |
M8XDP13 |
|
C11MB-08 |
40 |
36 |
14 |
4 |
M20X2.5 |
38 |
42 |
55 |
45 |
45 |
25 |
M8XDP13 |
|
C11MB-10 |
50 |
46 |
19 |
4 |
M24X3.0 |
50 |
52 |
65 |
50 |
55 |
30 |
M10XDP17 |
|
C11MB-12 |
60 |
50 |
19 |
4 |
M27X3.0 |
52 |
55 |
75 |
55 |
70 |
35 |
M10XDP17 |
|