韩国瑞岩三爪卡盘型号:CASLF-32/CASF-40HC
 |
|
|
 |
 |
|
|
|
|
 |
|
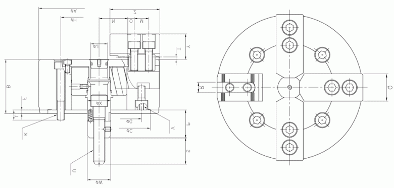
Spec
Model
|
Order NO. |
Spindle nose NO. |
Jaw stroke(Diameter) mm |
|
Plunger stroke mm |
Gripping Max |
Gripping Min |
Max. permissible input force KN(kgf) |
|
CASLF-32 |
1ASLF32 |
- |
30.6 |
- |
38 |
800 |
211 |
120(11760) |
|
CASF-40HC |
1ASG40HC |
- |
46 |
30 |
57 |
1000 |
187 |
180(18348) |
|
|
Spec
Model
|
Max. static gripping force KN(kgf) |
Max. Permissible speed r.p.m |
weight(With standard soft jaws) |
Gd moment of inertia |
matching cylinder |
Matching hard jaw |
Matching soft jaw |
|
|
CASLF-32 |
215(21070) |
650 |
341 |
23.8(2.43) |
YAS,C,P,T-200 |
HJ-32A1 |
SJ-32A1 |
|
CASF-40HC |
320(32653) |
500 |
710 |
91(9.28) |
YAST-245, YAST-250S |
HJ-40A2 |
SJ-40A2 |
|
|
|
 |
|
Item
Model
|
A |
B |
C |
F |
G |
H |
J |
K |
L |
M |
N Max |
N Min |
O Max |
|
CASLF-32 |
800 |
150 |
380 |
6 |
- |
330.2 |
- |
8-M24 |
31 |
76.2 |
101 |
85.7 |
- |
|
CASF-40HC |
1000 |
180 |
520 |
8 |
- |
463.6 |
- |
8-M24 |
32 |
76.2 |
207 |
154 |
- |
|
|
Item
Model
|
O Min |
P Max |
P Min |
Q |
R |
S |
T |
|
V |
W |
X |
Y |
Z |
|
|
CASLF-32 |
- |
35 |
-3 |
75 |
25.5 |
60 |
8 |
M30X3.5 |
- |
52 |
114 |
83 |
165 |
|
CASF-40HC |
- |
32 |
-25 |
110 |
30 |
68 |
0 |
M36X4.0 |
- |
60 |
- |
110 |
270 |
|