韩国瑞岩两爪卡盘型号:CASTL-05/CASTL-06/CASTL-08/CASTL-10/CASTL-12
 |
|
|
 |
 |
|
|
|
|
 |
|
Spec
Model
|
Order NO. |
Spindle nose NO. |
Jaw stroke(Diameter) mm |
Plunger stroke mm |
Gripping Max |
Gripping Min |
Max. permissible input force KN(kgf) |
|
CASTL-05 |
12705 |
- |
9.4 |
13 |
130 |
15 |
5.9(602) |
|
CASTL-06 |
12706 |
A2-5 |
13 |
18 |
165 |
20 |
9.8(1000) |
|
CASTL-08 |
12708 |
A2-6 |
16 |
22 |
210 |
22 |
19.6(2000) |
|
CASTL-10 |
12710 |
A2-8 |
18 |
25 |
254 |
25 |
22.6(2306) |
|
CASTL-12 |
12712 |
A2-8 |
20 |
28 |
304 |
28 |
29.4(3000) |
|
|
Spec
Model
|
Max. static gripping force KN(kgf) |
Max. Permissible speed r.p.m |
weight(With standard soft jaws) |
Gd moment of inertia |
matching cylinder |
Matching soft jaw |
|
|
CASTL-05 |
9.8(1000) |
3500 |
4.5 |
0.7(0.071) |
YAS-80 |
- |
|
CASTL-06 |
21.6(2204) |
3500 |
10 |
1.67(0.17) |
YAS,C,P,T-100 |
- |
|
CASTL-08 |
43.1(4391) |
3000 |
20 |
5.20(0.53) |
YAS,C,P,T-125 |
- |
|
CASTL-10 |
49.0(5000) |
2500 |
32 |
11.47(1.17) |
YAS,C,P,T-125 |
- |
|
CASTL-12 |
64.7(6602) |
2000 |
54 |
27.75(2.83) |
YAS,C,P,T-150 |
- |
|
|
|
 |
|
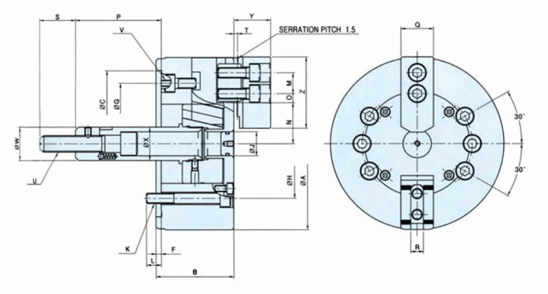
Item
Model
|
A |
B |
C |
F |
G |
H |
J |
K |
L |
M |
N Max |
N Min |
O Max |
|
CASTL-05 |
130 |
50 |
115 |
5 |
- |
82.6 |
- |
4-M10 |
16 |
14 |
32.8 |
28.1 |
12 |
|
CASTL-06 |
165 |
63 |
140 |
5 |
- |
104.77 |
- |
4-M10 |
21 |
20 |
38.75 |
32.25 |
18 |
|
CASTL-08 |
210 |
77 |
190 |
5 |
- |
133.35 |
- |
4-M12 |
21 |
25 |
42.75 |
34.75 |
30 |
|
CASTL-10 |
254 |
85 |
230 |
5 |
- |
133.35 |
- |
6-M12 |
23 |
30 |
48.75 |
39.75 |
40.5 |
|
CASTL-12 |
304 |
97 |
280 |
5 |
- |
171.45 |
- |
6-M16 |
|
40 |
57.5 |
47.5 |
45 |
|
|
Item
Model
|
O Min |
P Max |
P Min |
Q |
R |
S |
T |
|
V |
W |
X |
Y |
Z |
|
|
CASTL-05 |
3 |
14 |
1 |
25 |
10 |
36 |
5 |
M12X1.75 |
- |
28 |
- |
29 |
54 |
|
CASTL-06 |
7.5 |
29 |
11 |
30 |
12 |
36 |
5 |
M12X1.75 |
- |
32 |
38 |
34 |
70.5 |
|
CASTL-08 |
13.5 |
34 |
12 |
35 |
16 |
36 |
5 |
M20X2.5 |
- |
38 |
48 |
44 |
90 |
|
CASTL-10 |
15 |
44 |
19 |
40 |
18 |
46 |
5 |
M24X3.0 |
- |
50 |
58 |
54 |
105 |
|
CASTL-12 |
15 |
50 |
22 |
50 |
21 |
50 |
5 |
M27X3.0 |
- |
52 |
65 |
53 |
126 |
|