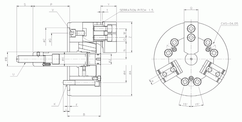
韩国瑞岩三爪卡盘型号:CASL-06/CASL-08/CASL-32
 |
|
|
 |
 |
|
|
|
|
 |
|
Spec
Model
|
Order NO. |
Spindle nose NO. |
Jaw stroke(Diameter) mm |
Plunger stroke mm |
Gripping Max |
Gripping Min |
Max. permissible input force KN(kgf) |
|
CASL-06 |
11606 |
A2-5 |
13 |
18 |
165 |
20 |
14.7(1500) |
|
CASL-08 |
11608 |
A2-6 |
16 |
22 |
210 |
22 |
29.4(3000) |
|
CASL-32 |
1ASL32 |
- |
30.6 |
38 |
800 |
211 |
120(11760) |
|
|
Spec
Model
|
Max. static gripping force KN(kgf) |
Max. Permissible speed r.p.m |
weight(With standard soft jaws) |
Gd moment of inertia |
matching cylinder |
Matching hard jaw |
Matching soft jaw |
|
|
CASL-06 |
32.4(3306) |
4000 |
11 |
1.77(0.18) |
YAS,C,P,T-100 |
HJ-06T1 |
SJ-06A1 |
|
CASL-08 |
64.7(6602) |
4000 |
21 |
5.39(0.55) |
YAS,C,P,T-125 |
HJ-08T1 |
SJ-08A1 |
|
CASL-32 |
215(21070) |
800 |
341 |
23.8(2.43) |
YAS,C,P,T-200 |
HJ-32A1 |
SJ-32A1 |
|
|
|
 |
|
Item
Model
|
A |
B |
C |
F |
G |
H |
J |
K |
L |
M |
N Max |
N Min |
O Max |
|
CASL-06 |
165 |
63 |
140 |
5 |
110 |
104.77 |
- |
6-M10 |
17 |
20 |
38.75 |
32.25 |
18 |
|
CASL-08 |
210 |
77 |
190 |
6 |
223.35 |
140 |
- |
6-M12 |
21 |
25 |
42.75 |
34.75 |
30 |
|
CASL-32 |
800 |
150 |
380 |
6 |
- |
330.2 |
- |
6-M24 |
31 |
76.2 |
101 |
85.7 |
- |
|
|
Item
Model
|
O Min |
P Max |
P Min |
Q |
R |
S |
T |
|
V |
W |
X |
Y |
Z |
|
|
CASL-06 |
7.5 |
29 |
11 |
30 |
12 |
36 |
5 |
M16X2.0 |
3-M8 |
32 |
38 |
34 |
70.5 |
|
CASL-08 |
13.5 |
34 |
12 |
35 |
16 |
36 |
5 |
M20X2.5 |
3-M10 |
38 |
48 |
44 |
90 |
|
CASL-32 |
- |
35 |
-3 |
75 |
25.5 |
60 |
8 |
M30X3.5 |
- |
52 |
114 |
83 |
165 |
|