韩国瑞岩两爪卡盘型号:CAST-06/CAST-08/CAST-10/CAST-12
|
|
 |
|
|
 |
 |
|
|
|
|
 |
|
Spec
Model
|
Order NO. |
Spindle nose NO. |
Jaw stroke(Diameter) mm |
Plunger stroke mm |
Gripping Max |
Gripping Min |
Max. permissible input force KN(kgf) |
|
CAST-06 |
1AST06 |
A2-5 |
9.2 |
20 |
165 |
19 |
12.6(1279) |
|
CAST-08 |
1AST08 |
A2-6 |
8.8 |
21 |
210 |
23 |
18.6(1885) |
|
CAST-10 |
1AST10 |
A2-8 |
8.8 |
25 |
254 |
24 |
21.6(2187) |
|
CAST-12 |
1AST12 |
A2-8 |
10.5 |
30 |
304 |
26 |
2736(2793) |
|
|
Spec
Model
|
Max. static gripping force KN(kgf) |
Max. Permissible speed r.p.m |
weight(With standard soft jaws) |
Gd moment of inertia |
matching cylinder |
Matching soft jaw |
|
|
CAST-06 |
41.9(4241) |
4300 |
12.5 |
1.67(0.17) |
YAS,C,P,T-100 |
SJ-06T1 |
|
CAST-08 |
53.2(5385) |
3600 |
24 |
5.20(0.53) |
YAS,C,P,T-125 |
SJ-08T1 |
|
CAST-10 |
76.5(7742) |
3100 |
35.5 |
11.47(1.17) |
YAS,C,P,T-150 |
SJ-10T1 |
|
CAST-12 |
104.4(10569) |
2500 |
60.5 |
27.75(2.83) |
YAS,C,P,T-150 |
SJ-12A2 |
|
|
|
 |
|
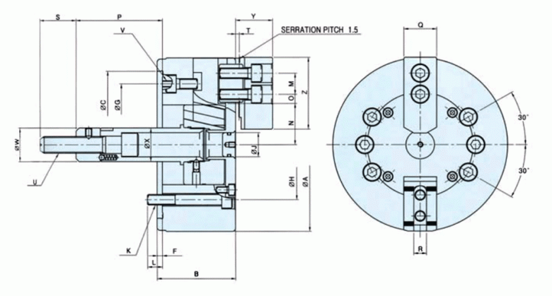
Item
Model
|
A |
B |
C |
F |
G |
H |
J |
K |
M |
N Max |
N Min |
O Max |
O Min |
|
CAST-06 |
169 |
74 |
140 |
5 |
116 |
104.8 |
23 |
6-M10 |
20 |
41 |
36.7 |
13 |
7 |
|
CAST-08 |
210 |
85 |
170 |
5 |
150 |
133.4 |
28 |
6-M12 |
25 |
46.3 |
41.9 |
22.5 |
9 |
|
CAST-10 |
254 |
89 |
220 |
5 |
190 |
171.4 |
|
6-M16 |
30 |
51.1 |
46.7 |
30.7 |
11.2 |
|
CAST-12 |
304 |
106 |
220 |
6 |
190 |
171.4 |
39 |
6-M16 |
30 |
61 |
55.7 |
48.7 |
12.7 |
|
|
Item
Model
|
P Max |
P Min |
Q |
R |
S |
T |
U Max |
V |
W |
X |
Y |
Z |
|
|
CAST-06 |
101.5 |
81.5 |
31 |
12 |
36 |
4 |
M16X2.0 |
3-M6 |
32 |
32 |
36 |
72 |
|
CAST-08 |
127 |
106 |
39 |
14 |
36 |
5 |
M20X2.5 |
3-M6 |
38 |
38 |
43 |
95 |
|
CAST-10 |
158 |
133 |
44 |
16 |
36 |
5 |
M20X2.5 |
3-M8 |
38 |
44 |
50 |
110 |
|
CAST-12 |
163 |
133 |
50 |
18 |
36 |
5 |
M20X2.5 |
3-M8 |
38 |
50 |
54 |
111 |
|