韩国瑞岩三爪卡盘型号:CASA-06/CASA-08/CASA-10/CASA-12/CASA-15/CASA-18/CASA-21/CASA-24
 |
|
|
 |
 |
|
|
|
|
 |
|
Spec
Model
|
Order NO. |
Spindle nose NO. |
Jaw stroke(Diameter) mm |
Plunger stroke mm |
Gripping Max |
Gripping Min |
Max. permissible input force KN(kgf) |
|
CASA-06 |
1ASA06 |
A2-5 |
92 |
20 |
165 |
19 |
19(1938) |
|
CASA-08 |
1ASA08 |
A2-6 |
8.8 |
21 |
210 |
23 |
28(2856) |
|
CASA-10 |
1ASA10 |
A2-8 |
8.8 |
25 |
254 |
24 |
32.5(3315) |
|
CASA-12 |
1ASA12 |
A2-8 |
10.5 |
30 |
304 |
26 |
41.5(4233) |
|
CASA-15 |
1ASA15 |
A2-11 |
35 |
|
381 |
60 |
8362 |
|
CASA-18 |
1ASA18 |
A2-11 |
16 |
35 |
450 |
140 |
8362 |
|
CASA-21 |
1ASA21 |
A2-11,15 |
16 |
35 |
530 |
82 |
8362 |
|
CASA-24 |
1ASA24 |
A2-11,15 |
16 |
35 |
610 |
170 |
8362 |
|
|
Spec
Model
|
Max. static gripping force KN(kgf) |
Max. Permissible speed r.p.m |
weight(With standard soft jaws) |
Gd moment of inertia |
matching cylinder |
Matching hard jaw |
Matching soft jaw |
|
|
CASA-06 |
63(6426) |
6000 |
14 |
1.96(0.20) |
YAS.C.P.T-100 |
HJ-06T1 |
SJ-06T1 |
|
CASA-08 |
80(8160) |
4800 |
27 |
5.79(0.59) |
YAS.C.P.T-125 |
HJ-08T1 |
SJ-08T1 |
|
CASA-10 |
115(11730) |
4100 |
40 |
12.84(1.31) |
YAS,C,P,T-125 |
HJ-10T1 |
SJ-10T1 |
|
CASA-12 |
156(16014) |
3400 |
66 |
29.52(3.01) |
YAS,C,P,T-150 |
HJ-12A1 |
SJ-12A2 |
|
CASA-15 |
248(35391) |
3040 |
96 |
70.5(7.2) |
YAS,C,P,T-200 |
HJ-15A3 |
SJ15A3 |
|
CASA-18 |
2248(35391) |
2710 |
131 |
95(9.7) |
YAS,CMP,T-200 |
HJ-15A3 |
SJ-15A3 |
|
CASA-21 |
272(27838) |
1940 |
198 |
YAS,C,P,T-200 |
HJ-21B1 |
SJ-21A1 |
|
|
CASA-24 |
272(27838) |
1760 |
223 |
67.8(6.92) |
YAS,C,P,T-200 |
HJ-21B1 |
SJ-21A1 |
|
|
|
 |
|
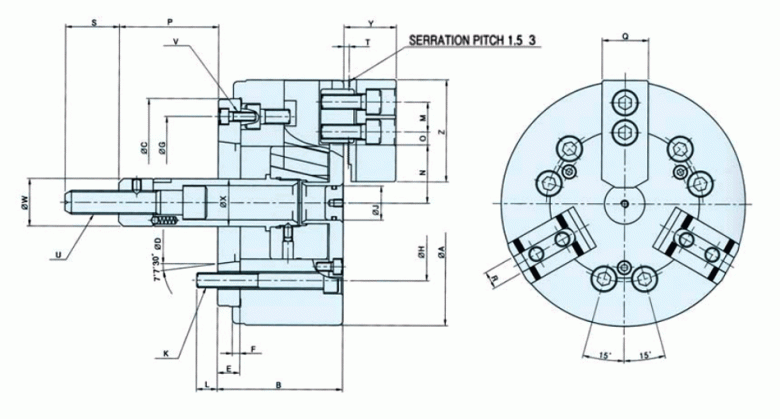
Item
Model
|
A |
B |
C |
D |
E |
F |
G |
H |
J |
K |
L |
M |
N Max |
N Min |
|
CASA-06 |
169 |
84 |
140 |
82563 |
15 |
5 |
1048 |
1048 |
23 |
6-M10 |
14 |
20 |
41 |
36.7 |
|
CASA-08 |
210 |
97 |
170 |
106.375 |
17 |
5 |
133.4 |
133.4 |
28 |
6-M12 |
18 |
25 |
46.3 |
41.9 |
|
CASA-10 |
254 |
102 |
220 |
139.719 |
18 |
5 |
171.4 |
171.4 |
34 |
6-M16 |
25 |
30 |
51.1 |
46.7 |
|
CASA-12 |
304 |
118 |
220 |
139.719 |
18 |
6 |
171.4 |
171.4 |
39 |
6-M16 |
25 |
30 |
61 |
55.7 |
|
CASA-15 |
381 |
130 |
300 |
196.869 |
22 |
6 |
260 |
235 |
27 |
6-M20 |
23 |
43 |
73 |
65 |
|
CASA-18 |
381 |
130 |
300 |
196.869 |
22 |
6 |
260 |
235 |
27 |
6-M20 |
23 |
43 |
106.5 |
98.5 |
|
CASA-21 |
CASA-21 |
530 |
146 |
196.869 |
27 |
6 |
330.2 |
330.2 |
27 |
6-M22 |
28 |
60 |
86 |
78 |
|
CASA-24 |
610 |
146 |
380 |
196.869 |
27 |
6 |
330.2 |
330.2 |
27 |
6-M22 |
28 |
60 |
124.5 |
117 |
|
|
Item
Model
|
O Max |
O Min |
P Max |
P Min |
Q |
R |
S |
T |
|
V |
W |
X |
Y |
Z |
|
|
CASA-06 |
13 |
7 |
86.5 |
66.5 |
31 |
12 |
36 |
4 |
M16X2.0 |
3-M6 |
32 |
32 |
35 |
72 |
|
CASA-08 |
22.5 |
9 |
110 |
89 |
39 |
14 |
36 |
5 |
M20X2.5 |
3-M6 |
38 |
38 |
43 |
95 |
|
CASA-10 |
30.7 |
11.2 |
140 |
115 |
44 |
16 |
36 |
5 |
M20X2.5 |
3-M8 |
38 |
44 |
50 |
110 |
|
CASA-12 |
48.7 |
12.7 |
145 |
115 |
50 |
18 |
36 |
5 |
M20X2.5 |
3-M8 |
38 |
50 |
54 |
111 |
|
CASA-15 |
54.7 |
15.7 |
82 |
47 |
50 |
25.5 |
55 |
5 |
M30X3.5 |
3-M10 |
55 |
60 |
60 |
135 |
|
CASA-18 |
48.5 |
23.2 |
70 |
35 |
50 |
25.5 |
55 |
5 |
M30X3.5 |
3-M10 |
55 |
60 |
60.3 |
135 |
|
CASA-21 |
93.5 |
27.5 |
70 |
35 |
65 |
25 |
55 |
6 |
M30X3.5 |
3-M12 |
55 |
60 |
71 |
180 |
|
CASA-24 |
93.5 |
27.5 |
70 |
35 |
65 |
25 |
55 |
6 |
M30X3.5 |
3-M12 |
55 |
60 |
71 |
180 |
|