 |
|
|
|
Spec
Model
|
Order NO. |
Spindle nose NO. |
Thru-hole(Diameter) mm |
Jaw stroke(Diameter) mm |
Plunger stroke mm |
Gripping Max |
Gripping Min |
Max. permissible input force KN(kgf) |
|
CGHT-08 |
1GHT08 |
A2-6 |
66 |
7.6 |
18 |
210 |
11 |
38(3900) |
|
|
Spec
Model
|
Max. static gripping force KN(kgf) |
Max. Permissible speed r.p.m |
weight(With standard soft jaws) |
Gd moment of inertia |
matching cylinder |
Matching hard jaw |
Matching soft jaw |
|
|
CGHT-08 |
94(9597) |
5000 |
23 |
5.59(0.57) |
YSGH-08 |
HJ-08T1 |
SJ-08T1 |
|
|
|
 |
|
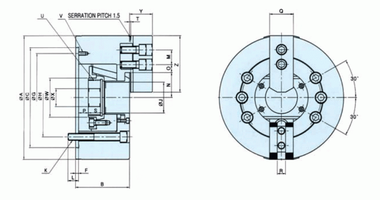
Item
Model
|
A |
B |
C |
F |
H |
J |
K |
L |
M |
N Max |
N Min |
O Max |
O Min |
|
CGHT-08 |
210 |
910 |
170 |
5 |
133.4 |
66 |
6-M12 |
20 |
25 |
46.2 |
42.4 |
23.25 |
10.25 |
|
|
Item
Model
|
P Max |
P Min |
Q |
R |
S |
T |
U Max |
V |
W |
X |
Y |
Z |
|
|
CGHT-08 |
7 |
-11 |
39 |
14 |
27 |
2 |
M75X2.0 |
3-M6 |
80 |
30 |
39 |
95 |
|