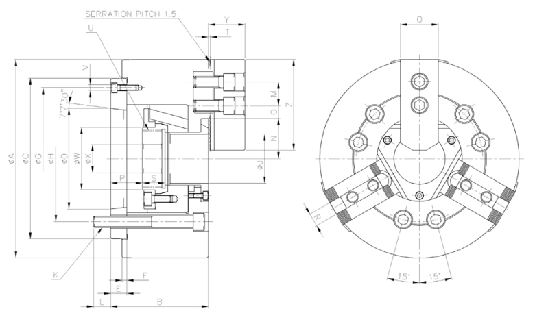
韩国瑞岩三爪卡盘型号:CGHA-06/CGHA-08/CGHA-10/CGHA-12
 |
• Home > 产品介绍 > 卡盘 |
|
|
|
|
|
|
|
|
|
|
|
 |
|
|
|
|
 |
|
Spec
Model
|
Order NO. |
Spindle nose NO. |
Thru-hole(Diameter) mm |
Jaw stroke(Diameter) mm |
Plunger stroke mm |
Gripping Max |
Gripping Min |
Max. permissible input force KN(kgf) |
|
CGHA-06 |
1GHA06 |
A2-5 |
53 |
5.5 |
13 |
169 |
13 |
25(2550) |
|
CGHA-08 |
1GHA08 |
A2-6 |
66 |
7.6 |
18 |
210 |
11 |
38(3900) |
|
CGHA-10 |
1GHA10 |
A2-8 |
82 |
8.5 |
20 |
254 |
31 |
50(5100) |
|
CGHA-12 |
1GHA12 |
A2-11 |
103 |
10.2 |
24 |
315 |
45 |
55(5610) |
|
|
Spec
Model
|
Max. static gripping force KN(kgf) |
Max. Permissible speed r.p.m |
weight(With standard soft jaws) |
Gd moment of inertia |
matching cylinder |
Matching hard jaw |
Matching soft jaw |
|
|
CGHA-06 |
63(6426) |
6000 |
13.7 |
2.45(0.25) |
YSGH-06 |
HJ-06T1 |
SJ-06T1 |
|
CGHA-08 |
94(9597) |
5000 |
23.6 |
6.90(0.71) |
YSGH-08 |
HJ-08T1 |
SJ-08T1 |
|
CGHA-10 |
120(12240) |
4500 |
40 |
12.65(1.29) |
YGH-10 |
HJ-10T1 |
SJ-10T1 |
|
CGHA-12 |
145(15000) |
3000 |
55 |
2.95 |
YSH-10 |
HJ-12A1 |
SJ-12A1 |
|
|
|
 |
|
Item
Model
|
A |
B |
C |
D |
E |
F |
G |
H |
J |
K |
L |
M |
N Max |
N Min |
|
CGHA-06 |
170 |
91 |
140 |
82.563 |
15 |
5 |
104.8 |
104.8 |
53 |
6-M10 |
16 |
20 |
37 |
34.24 |
|
CGHA-08 |
210 |
1111 |
170 |
106.375 |
26 |
5 |
133.4 |
133.4 |
66 |
6-M12 |
21 |
25 |
46.2 |
42.4 |
|
CGHA-10 |
254 |
113 |
220 |
139.719 |
18 |
5 |
171.4 |
171.4 |
82 |
6-M16 |
24 |
30 |
56.27 |
52.2 |
|
CGHA-12 |
315 |
126 |
300 |
196.869 |
34 |
6 |
260 |
235 |
103 |
6-M20 |
28 |
30 |
68.64 |
63.54 |
|
|
Item
Model
|
O Max |
O Min |
P Max |
P Min |
Q |
R |
S |
T |
U Max |
V |
W |
X |
Y |
Z |
|
|
CGHA-06 |
21 |
8 |
27 |
14 |
31 |
12 |
19 |
2 |
M60X2.0 |
3-M6 |
66 |
20 |
33.5 |
72 |
|
CGHA-08 |
23.25 |
10.25 |
33 |
15 |
39 |
14 |
20.5 |
2 |
M75X2.0 |
6-M12 |
88 |
30 |
39 |
95 |
|
CGHA-10 |
31 |
12 |
27.5 |
7.5 |
44 |
16 |
|
|
M90X2.0 |
3-M8 |
98 |
30 |
45 |
110 |
|
CGHA-12 |
13.75 |
13.75 |
30 |
6 |
49 |
21 |
30 |
2.5 |
|
3-M10 |
124 |
66 |
51.3 |
111 |
|
|
|
|
|