韩国瑞岩两爪卡盘型号:CAHT-06/CAHT-08/CAHT-10/CAHT-12/CAHT-15
 |
|
|
 |
 |
 |
|
|
 |
|
Spec
Model
|
Order NO. |
Spindle nose NO. |
Thru-hole(Diameter) mm |
Jaw stroke(Diameter) mm |
Plunger stroke mm |
Gripping Max |
Gripping Min |
|
CAHT-06 |
1AHT06 |
A2-5 |
46 |
5.5 |
13 |
169 |
13 |
|
CAHT-08 |
1AHT08 |
A2-6 |
52 |
7.6 |
18 |
169 |
13 |
|
CAHT-10 |
1AHT10 |
A2-8 |
77 |
8.5 |
20 |
254 |
31 |
|
CAHT-12 |
1AHT12 |
A2-8 |
91 |
10.2 |
24 |
304 |
34 |
|
CAHT-15 |
1AHT15 |
A2-11 |
118 |
10.6 |
23 |
381 |
30 |
|
|
Spec
Model
|
Max. permissible input force KN(kgf) |
Max. static gripping force KN(kgf) |
Max. Permissible speed r.p.m |
weight(With standard soft jaws) |
Gd moment of inertia |
matching cylinder |
Matching soft jaw |
|
|
CAHT-06 |
16.6(1700) |
42(4284) |
6000 |
12.3 |
2.20(0.22) |
YAH-06 |
SJ-06T1 |
|
CAHT-08 |
16.6(1700) |
63(6398) |
5000 |
21.7 |
6.86(0.70) |
YAH-08 |
SJ-08T1 |
|
CAHT-10 |
33.3(3400) |
83.3(8493) |
4200 |
33.7 |
12.55(1.28) |
YAH-10 |
SJ-10T1 |
|
CAHT-12 |
39(3995) |
100(10200) |
3300 |
51 |
26.47(2.7) |
YAH-12 |
SJ-12A1 |
|
CAHT-15 |
47(12236) |
120(12236) |
2500 |
115 |
87.25(8.90) |
YAH,YSH-15 |
SJ-15T1 |
|
|
|
 |
|
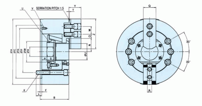
Item
Model
|
A |
B |
C |
F |
G |
H |
J |
K |
L |
M |
N Max |
N Min |
O Max |
|
CAHT-06 |
169 |
80 |
140 |
5 |
116 |
104.8 |
46 |
3-M10 |
12 |
20 |
33.5 |
30.7 |
23 |
|
CAHT-08 |
210 |
91 |
170 |
5 |
150 |
133.4 |
52 |
3-M12 |
15 |
25 |
41.7 |
37.9 |
27 |
|
CAHT-10 |
254 |
100 |
220 |
5 |
190 |
171.4 |
77 |
3-M16 |
17 |
30 |
54.5 |
50.3 |
31 |
|
CAHT-12 |
304 |
115 |
220 |
6 |
190 |
171.4 |
91 |
3-M16 |
18 |
30 |
62.1 |
56.7 |
45 |
|
CAHT-15 |
381 |
133 |
300 |
6 |
260 |
235 |
118 |
6-M20 |
30 |
43 |
82 |
76.7 |
43.75 |
|
|
Item
Model
|
O Min |
P Max |
P Min |
Q |
R |
S |
T |
U Max |
V |
W |
X |
Y |
Z |
|
|
CAHT-06 |
10 |
12 |
-1 |
32 |
12 |
19 |
2 |
M55X2.0 |
3-M6 |
60 |
20 |
33 |
66 |
|
CAHT-08 |
10 |
16.5 |
-1.5 |
38 |
14 |
20.5 |
2 |
M60X2.0 |
3-M6 |
66 |
30 |
39 |
86 |
|
CAHT-10 |
12 |
9.5 |
-10.5 |
44 |
16 |
27 |
2 |
M85X2.0 |
3-M8 |
94 |
30 |
45 |
108 |
|
CAHT-12 |
15 |
10 |
-14 |
50 |
21 |
21 |
2 |
M100X2.0 |
3-M8 |
108 |
30 |
51 |
111 |
|
CAHT-15 |
18.25 |
11 |
-12 |
62 |
22 |
39 |
5 |
M130X2 |
3-M10 |
139 |
60 |
70 |
165 |
|